HC41X消声止回阀适用于给水系统中需防止介质倒流的管路上,系实现介质单向流动时,有压力推向阀芯,使弹簧压缩,阀门迅速开启,当介质逆向流动时,弹簧推动阀芯压向阀座,阀门即关闭。HC41X消声止回阀的特殊设计,确保阀门工作平稳,关闭时无振动和噪声,消除了其他形式止回阀关闭时所产生的水锤击声。
产品用途
用于一切防止管路系统介质倒流的阀门。
工作原理
本阀以中心导轴压差梭动原理及弹簧辅助快速(提前)关闭,水泵启动时,全水流通道,减小流阻,使系统进行有效工作。
产品参数
产品型号 | HC41X-16Q |
阀体材质 | 球墨铸铁 |
阀芯材质 | 304不锈钢 |
公称压力 | ≤1.6Mpa |
适用介质 | 水等 |
适用温度 | ≤80℃ |
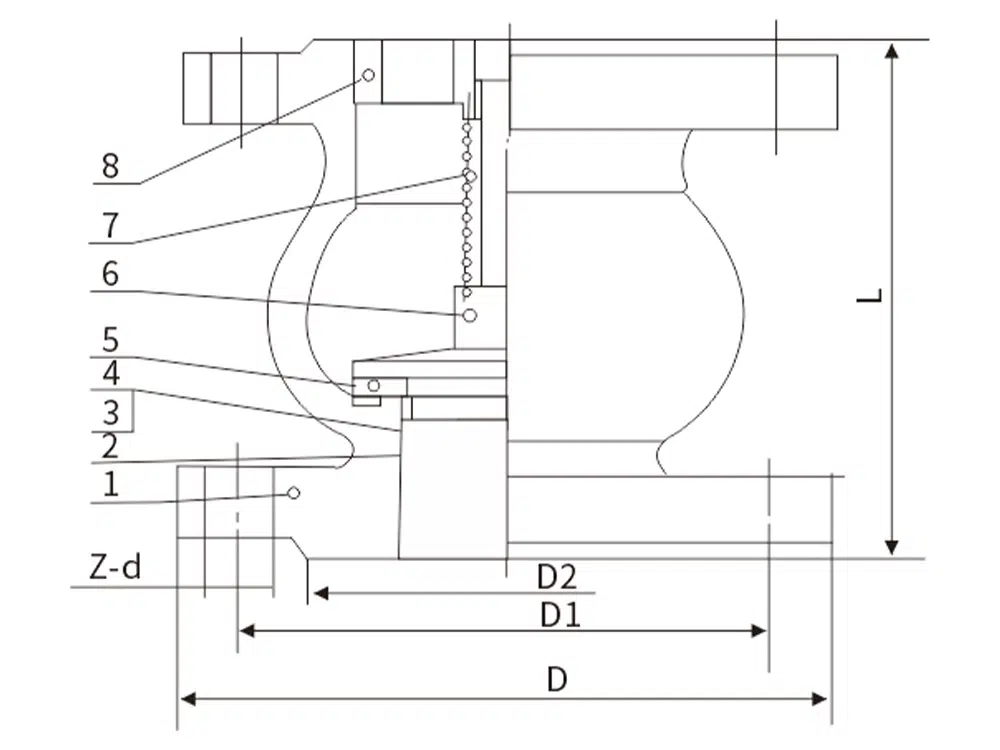
产品尺寸参考

通径 | L | D | D1 | Z-d |
DN40 | 110 | 150 | 110 | 4-18 |
DN50 | 120 | 160 | 125 | 4-18 |
DN65 | 136 | 180 | 145 | 4-18 |
DN80 | 151 | 195 | 160 | 8-18 |
DN100 | 165 | 215 | 180 | 8-18 |
DN125 | 190 | 245 | 210 | 8-18 |
DN150 | 206 | 280 | 240 | 8-22 |
DN200 | 248 | 335 | 295 | 12-22 |
DN250 | 285 | 405 | 355 | 12-26 |
DN300 | 290 | 460 | 410 | 12-26 |
DN350 | 330 | 520 | 470 | 16-26 |
DN400 | 330 | 580 | 525 | 16-30 |
















