DSBP741X单膜片低阻力倒流防止器是限制介质倒流的一款阀门,属于止回阀的一类,是一种液压控制组合装置,用于城市供水装置供水时,需要限制管道中输送的水单向流动,不可以回流。其作用是防止任何工况下管道内的介质回流或虹吸回流,从而达到避免回流污染。

产品特点
- 结构紧凑,节省安装空间,体积小,回流低,噪音低,在经济流速下工作水损失为1.3-2.5米。
- 排水阀的精度和排放压力可调节,使其不受管道压力波动的干扰,开闭,无异常排放。
- 单隔膜设计和隔膜等关键部件的经验证的性使其质量优于普通低阻力倒流防止器。
- 两级止回阀流道设计,流动阻力小,开启关闭,可防止背压突然升高对阀门和管道的损坏,限制压力水回流或虹吸回流,并具有静音功能,延长阀门的使用寿命。
- 产品可水平或垂直安装,支持在线测试和在线维护。


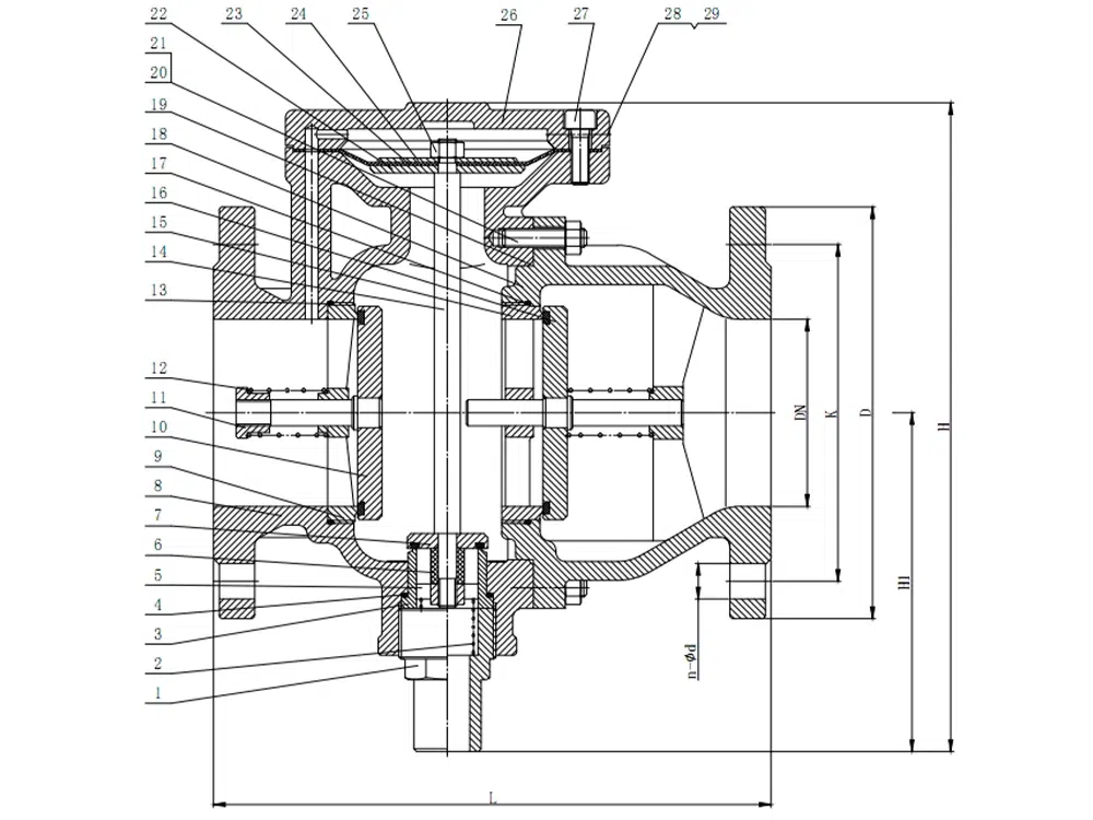
产品参数
产品型号 | DSBP741X-16Q |
阀体材质 | 球墨铸铁 |
公称压力 | ≤1.6Mpa |
适用介质 | 水等 |
适用温度 | ≤80℃ |
产品尺寸参考

通径 | L | H | H1 | D | K | n-Φd |
DN50 | 230 | 250 | 131 | 165 | 125 | 4-19 |
DN65 | 236 | 286 | 136 | 185 | 145 | 4-19 |
DN80 | 276 | 300 | 168 | 200 | 160 | 8-19 |
DN100 | 298 | 347 | 181 | 220 | 180 | 8-19 |
DN125 | 303 | 365 | 190 | 250 | 210 | 8-19 |
DN150 | 364 | 404 | 212 | 285 | 240 | 8-23 |
DN200 | 470 | 520 | 275 | 340 | 295 | 12-23 |
DN250 | 530 | 596 | 310 | 405 | 355 | 12-28 |
产品工作原理

安装方式及注意事项
- 所有管道在正式安装前都应该冲洗。
- 本阀应尽量水平安装,以便于调试和维护。
- 维护闸阀应安装在本阀的两端,过滤器应安装在入口之前,柔性接头应至少安装在一端。
- 排水阀出口不得直接与排水管连接,应排至地面排水沟。排水阀下端与地面的距离不得小于300mm。
- 原则上不允许在矿井内安装本。如有需要安装,要遵守当地相关法规;要求由经批准的技术人员将其安装在隔离且合适的空间中;避免因排水导致的洪水。
- 当需要在不停水的情况下维护防回流阀时,建议在主管道上并联(设置旁通管路)连接两个本阀。
- 安装完成后,刚开始使用时,关闭出口闸阀,慢慢打开入口闸阀,让水慢慢充满本阀,打开排气阀以阀室中的空气,在阀室充满水后慢慢打开出口闸阀,让水流满整个管道。













