GQ641F-16P气动高平台法兰球阀是一种比较新型的球阀类别,阀体铸造采用先进工艺,结构合理、造型美观。阀座采用弹性密封结构,密封可靠,启闭轻松。 阀杆采用有倒密封的下装式结构,阀腔异常升压时,阀杆不会被冲出。气动高平台法兰球阀主要用于截断或接通介质,也可用于流体的调节与控制。
产品特点
- 阀体采用铸造、锻压等生产工艺,连接方式有法兰、焊接、快装、螺纹等连接方式。
- 球芯只需绕阀门轴转90°即可完成全开或全关,动作简单迅速。
- 密封圈采用独特的弹性唇缘密封技术,保证了零泄漏的切断要求,特有的自动补偿功能使阀门具有更长的使用寿命。
- 密封圈材料有聚四氟乙烯、增强型PTFE及硬密封等各种结构,适用于各种工况。
- 球芯表面硬化处理后,经磨削、抛光,平滑耐磨。
- 球芯等径直通式流道与管道内径基本相同,流阻小。
- 内装式阀杆具有更好的安全性和刚性。
- 由于球芯与密封圈在开关过程中有剪切作用,故特别适用于如纸浆、污水与其他带颗粒的浆料类流体。
- 可按用户要求加装防静电装置。
应用领域
广泛适用于石油、化工、城市给排水等要求严格切断的工况。
产品参数
产品型号 | GQ641F-16P |
阀体材质 | 304不锈钢 |
气缸材质 | 铝合金 |
气缸类型 | AT双作用 |
公称压力 | ≤1.6Mpa |
适用介质 | 水、蒸汽、油品等 |
适用温度 | ≤150℃ |
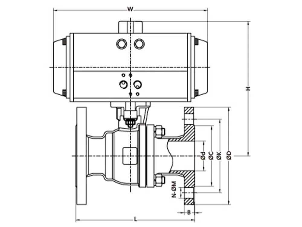
产品尺寸参考

通径 | L | d | D | K | C | B | Z-ΦM | H | W |
DN15 | 130 | 15 | 95 | 65 | 45 | 16 | 4-Φ14 | 183 | 168 |
DN20 | 140 | 20 | 105 | 75 | 58 | 18 | 4-Φ14 | 185 | 168 |
DN25 | 150 | 25 | 115 | 85 | 68 | 18 | 4-Φ14 | 205 | 184 |
DN32 | 165 | 32 | 140 | 100 | 78 | 18 | 4-Φ14 | 226 | 204 |
DN40 | 165/180 | 40 | 150 | 110 | 88 | 18 | 4-Φ18 | 232 | 204 |
DN50 | 200 | 50 | 165 | 125 | 102 | 18 | 4-Φ18 | 252 | 264 |
DN65 | 220 | 65 | 185 | 145 | 122 | 18 | 4-Φ18 | 293 | 268 |
DN80 | 241/250 | 80 | 200 | 160 | 138 | 20 | 8-Φ18 | 340 | 301 |
DN100 | 280/305 | 100 | 220 | 180 | 158 | 20 | 8-Φ18 | 382 | 390 |
DN125 | 320/356 | 125 | 250 | 210 | 188 | 22 | 8-Φ18 | 432 | 458 |
DN150 | 360/394 | 150 | 285 | 240 | 212 | 22 | 8-Φ22 | 510 | 525 |
DN200 | 457 | 200 | 340 | 295 | 268 | 24 | 12-Φ22 | 580 | 532 |












