YZ12X可调活塞式减压阀主要用于各种建筑给水系统、消防系统、中央空调系统、采暖系统等。它用于支管减压,可调整后供使压力分配更加均衡,优化高层建筑给水效益。它的安装可代替压力分区或调频变速供水形式,可减轻低区用水器具压力负载和节约用水,有效减免阀门因杂物卡阻而故障。
工作原理
YZ12X可调活塞式减压阀主要由阀座、主阀盘、活塞、上下活塞机构、弹簧等零件组成。通过调节弹簧压力,直接作用于主、副两个活塞,带动阀盘下移,离开阀体直接加工而成的阀座,形成水通路;出口压力则作用于两个活塞底面,形成上浮力,带动阀盘上升,与阀座吻合,关闭水流。当上浮力超过弹簧设定值(等同于出口水压力值)时,弹簧被压缩,阀瓣关闭,出口压力将基本保持在设定值(其变化量仅为入口压力变化量的8%);当下游用水时,出口压力下降,被压缩的弹簧张力将阀瓣推离阀座,打开减压阀,自动按消耗量补充介质。
产品特点
- 精确控制动、静态压力,不受上游压力变化影响而波动。
- 双活塞大流量(约为常见同类阀门3倍),运行噪音低。
- 内部结构紧凑合理,大幅节省安装空间。
- 安装环境要求低,压力调节范围广,无需专业人员操作,可现场调节至最佳供水压力。
- 采用不锈钢材质,强度高、安全环保。
产品参数
产品型号 | YZ12X-16P |
阀体材质 | 304不锈钢 |
公称压力 | ≤1.6Mpa |
适用介质 | 水等 |
适用温度 | ≤80℃ |
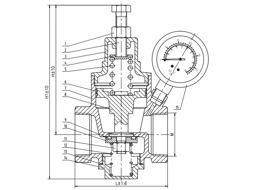
产品尺寸参考

通径 | M | L | H | H1 |
DN15 | 1/2 | 70 | 100 | 125 |
DN20 | 3/4 | 75 | 100 | 127 |
DN25 | 1 | 85 | 110 | 145 |
DN32 | 1-1/4 | 90 | 110 | 149 |
DN40 | 1-1/2 | 102 | 143 | 192 |
DN50 | 2 | 123 | 143 | 197 |
DN65 | 2-1/2 | 125 | 168 | 224 |













