Q971F电动薄型对夹球阀由电动执行器及超薄球阀组合而成,它和普通电动球阀相比具有结构紧凑,体积小,重量轻,阀座与端面法兰距离近,物料滞留少,密封性能优点。通常电动薄型对夹球阀适用于安装位置比较短的场合,广泛应用于化工、石油、制药、轻工等行业的自动控制。采用V型通道球体结构与电子式电动执行器配套可实现流量的调节。此外,阀座采用弹性密封结构,密封可靠,启闭轻松。设有耐火结构,万一发生火灾时,仍然能够可靠操作并具有良好的密封性。
工作原理
Q971F电动薄型对夹球阀以电源电压作动力,直接接受统一标准信号,将此转变成与输入信号相对应的位移,以角度位移(0~90度)运动,改变球芯的旋转开度,因此一定的输入信号对应一定的位置开度,实现比例调节动作。(二位开关式接受电源电压作动力,通过电机正反转实现开关动作,并同时输出开关阀位指示信号)。
产品特点
- 安装简便,能以任意方向安装于管道中的任意部位。
- 精小型电动执行器有多种电源可供选择,更有防爆电装。
- 阀体内通道平整光滑,可以输送粘性流体、浆液以及固体颗粒。
- 直连方式,电动执行机构内置伺服系统,无须另配伺服放大器。
- 球阀和电动执行器之间无支架连接,一体化的外型结构紧凑,减少设备空间。
- 密封材料为聚四氟乙烯等,具有自润滑性,与球体的摩擦损小,故球阀的使用寿命长。
产品参数
产品型号 | Q971F-16P |
阀体材质 | 304不锈钢 |
控制形式 | 开关型/调节型 |
可选电压 | AC220V/AC380V/DC24V |
公称压力 | ≤1.6Mpa |
适用介质 | 水、蒸汽、油品等 |
适用温度 | ≤150℃ |
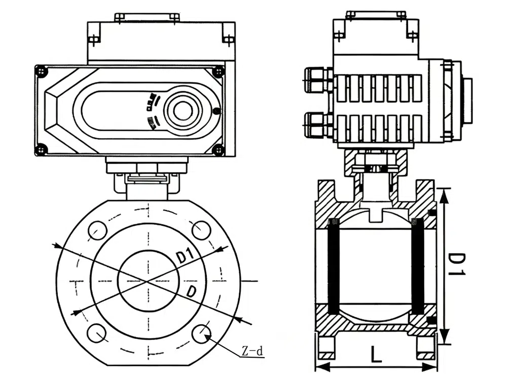
产品尺寸参考

通径 | L | D | D1 | Z-d |
DN15 | 35 | 95 | 65 | 4-M12 |
DN20 | 38 | 105 | 75 | 4-M12 |
DN25 | 45 | 115 | 85 | 4-M12 |
DN32 | 55 | 135 | 100 | 4-M16 |
DN40 | 62 | 145 | 110 | 4-M16 |
DN50 | 72 | 160 | 125 | 4-M16 |
DN65 | 95 | 180 | 145 | 4-M16 |
DN80 | 120 | 195 | 160 | 8-M16 |
DN100 | 140 | 215 | 180 | 8-M16 |
DN125 | 165 | 245 | 210 | 8-M16 |
DN150 | 195 | 285 | 240 | 8-M20 |
DN200 | 270 | 335 | 295 | 12-M20 |





















