Q941F46-16P电动衬氟法兰球阀是一种转角90°旋转类球阀,具有密封性能优良,流通能力大,流阻系数小,结构简单,维修方便,使用寿命长等特点。其球阀内腔及球体均采用高压注塑工艺衬有耐腐蚀、耐老化的聚全氟乙丙稀(F46),故具有可靠的耐腐蚀性和密封性。广泛用于化工、石油、冶金、医药等工业部门,实现对生产过程中酸、碱等强腐蚀介质的调节或切断,在水处理过程控制中使用效果明显。
产品特点
- 采用FEP衬里层的球阀,具有极高的化学稳定性,可以适用除“熔融碱金属和元素氟”,以外其它任何强腐蚀性质。
- 采用全通径、浮动球结构,阀门可在整个压力范围内进行无泄漏关闭,更便于管路系统的通球扫线和管路维护。
- 启闭件球件与阀杆铸(锻)为一体,杜绝了由于压力变化引起阀杆冲出承压件内的可能性,从根本上保证了工程中的使用安全性。
- 结构紧凑合理,阀体内腔空间小,减小了介质滞留,另外,特殊的模压工艺,使密封面致密度良好,加之V形PTFE填料组合,使阀门达到零泄漏。
产品参数
产品型号 | Q941F46-16P |
阀体材质 | 304不锈钢 |
控制形式 | 开关型/调节型 |
可选电压 | AC220V/AC380V/DC24V |
公称压力 | ≤1.6Mpa |
适用介质 | 硝酸类、醋酸类、碱类介质等 |
适用温度 | ≤120℃ |
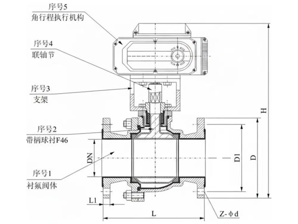
产品尺寸参考

通径 | L | D1 | D | H | L1 | Z-Φd |
DN15 | 130 | 65 | 95 | 225 | 14 | 4-14 |
DN20 | 140 | 75 | 105 | 236 | 16 | 4-14 |
DN25 | 150 | 85 | 115 | 268 | 16 | 4-14 |
DN32 | 165 | 100 | 135 | 298 | 18 | 4-18 |
DN40 | 180 | 110 | 145 | 353 | 18 | 4-18 |
DN50 | 200 | 125 | 160 | 403 | 20 | 4-18 |
DN65 | 220 | 145 | 180 | 455 | 20 | 8-18 |
DN80 | 250 | 160 | 195 | 485 | 22 | 8-18 |
DN100 | 280 | 180 | 215 | 530 | 24 | 8-18 |
DN125 | 320 | 210 | 245 | 570 | 26 | 8-18 |
DN150 | 360 | 240 | 285 | 644 | 28 | 8-23 |
DN200 | 400 | 295 | 335 | 730 | 30 | 12-26 |





















