黄铜活塞式减压阀是采用控制阀体内的启闭件的开度来调节介质的流量,将介质的压力降低。减压阀同时借助阀后压力的作用调节启闭件的开度,使阀后压力保持在一定范围内,在进口压力不断变化的情况下,黄铜活塞式减压阀保持出口压力在设定的范围内,保护其后的生活生产器具。
产品参数
产品型号 | Y13X-16T |
阀体材质 | 黄铜 |
公称压力 | ≤1.6Mpa |
适用介质 | 水等 |
适用温度 | ≤80℃ |
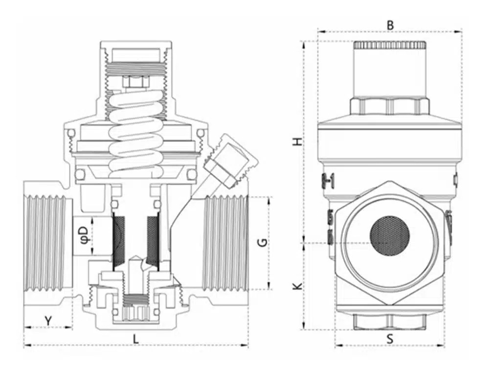
产品尺寸参考

G | L | H+K | S | D |
DN15 | 64 | 85 | 26 | 12 |
DN20 | 64 | 85 | 32 | 12 |
DN25 | 75 | 100 | 38 | 13.5 |
DN32 | 79 | 103 | 48 | 13.5 |
DN40 | 87 | 122 | 55 | 19 |
DN50 | 98 | 133 | 68 | 19 |
DN65 | 100 | 160 | / | / |



























