Y型过滤器(水过滤器)属于管道粗过滤器系列,也可用于气体或其他介质大颗粒物过滤,安装在管道上能去流体中的较大固态杂质,使机器设备(包括压缩机、泵等)、仪表能正常工作和运转,达到稳定工艺过程。Y型过滤器(水过滤器)能根据客户具体要求定制。Y型过滤器(水过滤器)具有制作简单、安装清洗方便、纳污量大等优点。
产品参数
产品型号 | GL41H-16Q |
阀体材质 | 球墨铸铁 |
公称压力 | ≤1.6Mpa |
适用介质 | 水等 |
适用温度 | ≤80℃ |
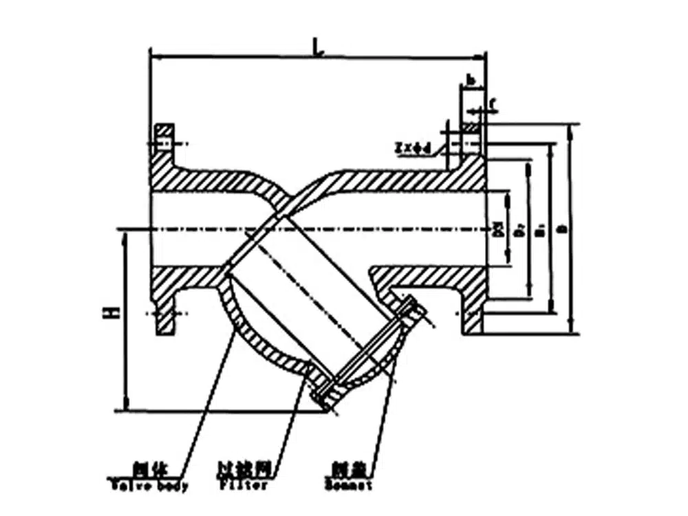
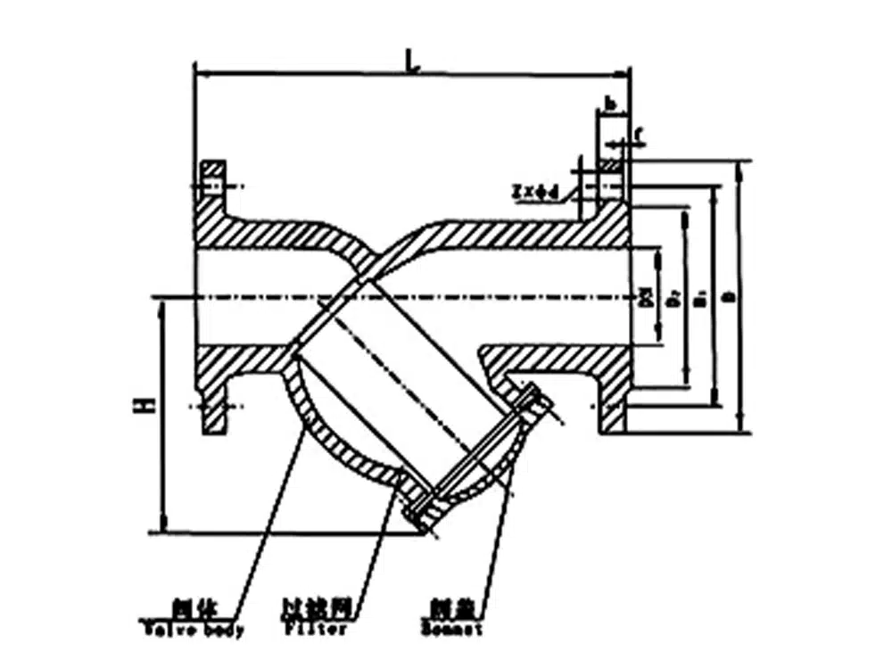
产品尺寸参考

通径 | L | D | D1 | D2 | b-f | Z-φd | H |
DN40 | 200 | 145 | 110 | 85 | 18-3 | 4-18 | 122 |
DN50 | 200 | 160 | 125 | 100 | 20-3 | 4-18 | 135 |
DN65 | 220 | 180 | 145 | 120 | 20-3 | 4-18 | 160 |
DN80 | 250 | 195 | 160 | 135 | 22-3 | 8-18 | 202 |
DN100 | 295 | 215 | 180 | 155 | 24-3 | 8-18 | 250 |
DN125 | 315 | 245 | 210 | 185 | 26-3 | 8-18 | 297 |
DN150 | 345 | 280 | 240 | 210 | 28-3 | 8-23 | 360 |
DN200 | 415 | 335 | 295 | 265 | 30-3 | 12-23 | 382 |
DN250 | 505 | 405 | 355 | 320 | 32-3 | 12-25 | 447 |
DN300 | 585 | 460 | 410 | 375 | 34-4 | 12-25 | 455 |
DN350 | 635 | 520 | 470 | 435 | 34-4 | 16-25 | 480 |


















