KRG扩散式过滤器是一种新型水泵入口过滤器,是一种集管道除污、过滤、弯头与变径为一体的综合性过滤器。扩散式过滤器自身可扩散流向,降低管道内的流速,在流动过程中又可适当的降低流速,也可通过内部导向板使流体分散并均匀的分布流速,保障了水泵的长期稳定的运转。
主要特点
- 扩散式过滤器直接安装在泵的入口处,起到导流作用,能够为水泵提供平衡的水流,保护水泵的叶片,具有稳定水流,提高水泵效率,延长水泵寿命的功能。
- 扩散式过滤器采用过滤面积大的不锈钢过滤网,减小了压力损失与阻力,适用于各种安装条件,也可水平或垂直安装,缩小了安装空间,并减少了施工费用,具有取代90度弯头、变径管、其它过滤器及整流管的功能。
安装管道示意图对比
- 缩短入口管道,减轻泵的负重。
- 采用法兰连接,减少人工费用。
- 缩短工程时间,减少安装空间。

介质流速分布示意图比较
- 在A、B点急剧变化的流路管道上,产生不规则的流速被泵吸入,产生可变的重负荷,出现震动和气穴与巨大的噪音并影响泵的使用寿命。
- 安装扩散式过滤器可降低管道内的流速,而并不影响管道的流量,通过内部的导流板均匀的分布流速,保证泵的长期稳定运行。

应用领域
广泛应用于:机械设备、化工设备、通用零部件、工业设备、制药设备、通用设备、石化设备。电力设备、冶金粉末设备、采矿设备、市政设备及电子工业设备等。
产品参数
产品型号 | KRG-16C |
阀体材质 | 碳钢 |
公称压力 | ≤1.6Mpa |
适用介质 | 水等 |
适用温度 | ≤80℃ |
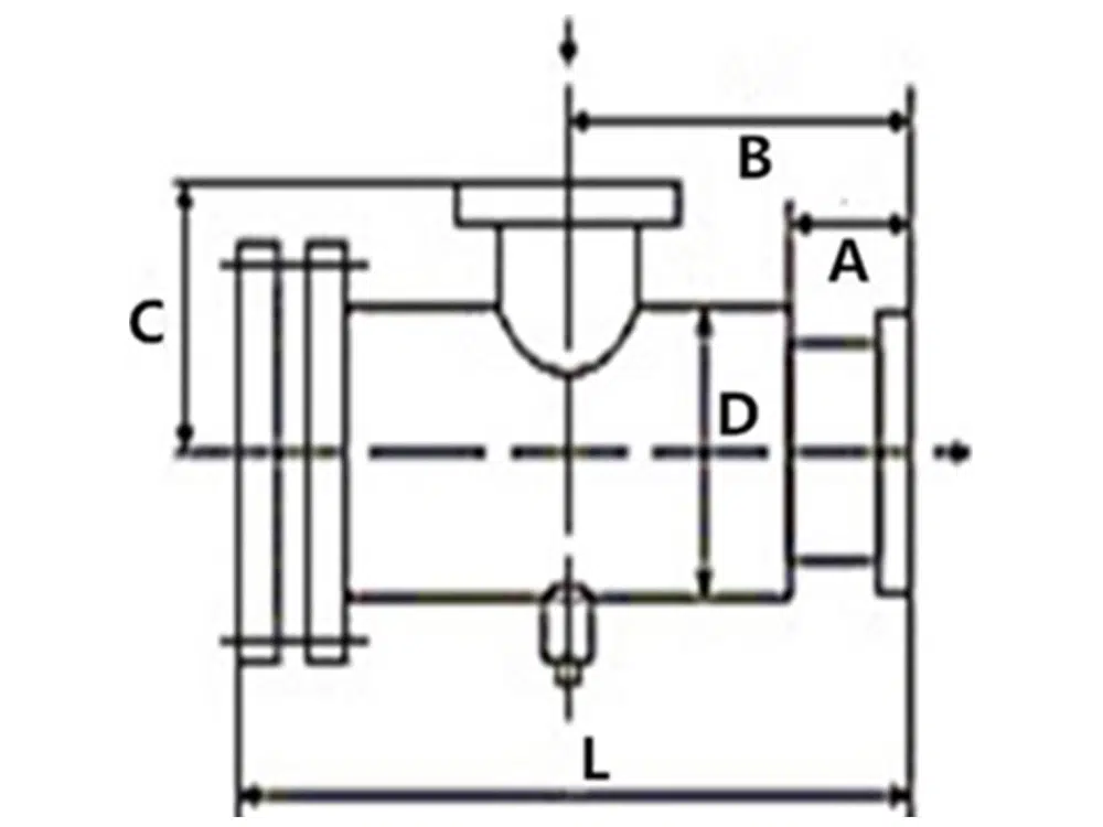
产品尺寸参考

通径 | A | B | C | D | L(不含法兰) | 排污口 |
DN100 | 100 | 275 | 220 | 219 | 450 | DN25 |
DN125 | 100 | 290 | 237 | 219 | 480 | DN25 |
DN150 | 110 | 325 | 240 | 273 | 540 | DN25 |
DN200 | 120 | 380 | 309 | 325 | 640 | DN32 |
DN250 | 130 | 455 | 333 | 377 | 780 | DN32 |
DN300 | 130 | 480 | 369 | 426 | 830 | DN40 |
DN350 | 150 | 550 | 415 | 478 | 950 | DN40 |
DN400 | 170 | 620 | 485 | 529 | 1070 | DN40 |












