D973H/W型电动对夹硬密封蝶阀采用精密的J形弹性密封圈和三偏心多层次金属硬密封结构,被广泛用于介质温度≤325℃的治金 、电力、石油化工以及给排水和市政建设等工业管道上,作调节流量和截断流体使用。该阀采用三偏心结构,阀座与碟板密封面均采用不同硬度和不锈钢制作,具有良好的耐腐蚀性,使用寿命长,本阀具有双向密封功能,产品符合国家GB/T13927-92阀门压力试验标准。
产品特点
- 蝶阀采用三偏心密封结构,阀座与蝶板几乎无磨损,具有越关越紧的密封功能。
- 密封圈选用不锈钢制作,具有金属硬密封和弹性密封的双重优点,无论在低温和高温的情况下,均具有优良的密封性能,具有耐腐蚀性,使用寿命长等特点。
- 碟板密封面采用堆焊钴基硬质合金,密封面耐磨损,使用寿命长。
- 大规格蝶板采用绗架结构,强度高,过流面积大,流阻小。
- 本阀具有双向密封功能,安装时不受介质流向的限制,也不受空间位置的影响,可在任何方向安装。
应用领域
主要用于水、空气、天然气、油品及弱腐蚀性介质的流量调节与管路截断,适用于冶金、电力、石油、化工等领域。
产品参数
产品型号 | D973W-16P |
阀体材质 | 304不锈钢 |
控制形式 | 开关型/调节型 |
可选电压 | AC220V/AC380V/DC24V |
公称压力 | ≤1.6Mpa |
适用介质 | 水、蒸汽、油品等 |
适用温度 | ≤325℃ |
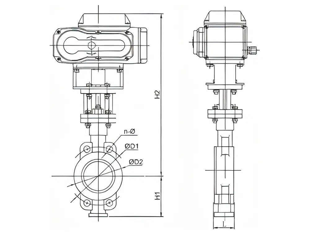
产品尺寸参考

通径 | Inch | L | ΦD1 | ΦD2 | H1 | H2 | n-Φ |
DN50 | 2" | 43 | 125 | 102 | 90 | 323 | 4-18 |
DN65 | 2-1/2" | 46 | 145 | 122 | 110 | 367 | 4-18 |
DN80 | 3" | 49 | 160 | 133 | 115 | 413 | 8-18 |
DN100 | 4" | 56 | 180 | 158 | 130 | 423 | 8-18 |
DN125 | 5" | 64 | 210 | 185 | 150 | 473 | 8-18 |
DN150 | 6" | 70 | 240 | 216 | 165 | 511 | 8-22 |
DN200 | 8" | 71 | 295 | 272 | 210 | 597 | 12-22 |
DN250 | 10" | 76 | 355 | 320 | 245 | 627 | 12-26 |
DN300 | 12" | 83 | 410 | 372 | 280 | 677 | 12-26 |
DN350 | 14" | 92 | 470 | 430 | 315 | 742 | 16-26 |
DN400 | 16" | 102 | 525 | 480 | 345 | 819 | 16-30 |
DN450 | 18" | 114 | 585 | 545 | 380 | 884 | 20-30 |
DN500 | 20" | 127 | 650 | 610 | 415 | 909 | 20-33 |












