Z45X-16P不锈钢软密封暗杆闸阀广泛用于自来水、污水、建筑、石油、化工、食品、医药、轻纺、电力、船舶、冶金、能源系统等流体管线上作为调节和截流装置使用。
产品特点
- 平底式阀座,不出现污物堆积。
- 阀瓣整体包丁腈橡胶。
- 阀门内件采用不锈钢材料,可用于污水系统适应较恶劣的工作环境。
- 体积小,重量轻,便于安装和维修。
- 阀杆采用三道O型环密封,大大减少了开关时的磨擦阻力。
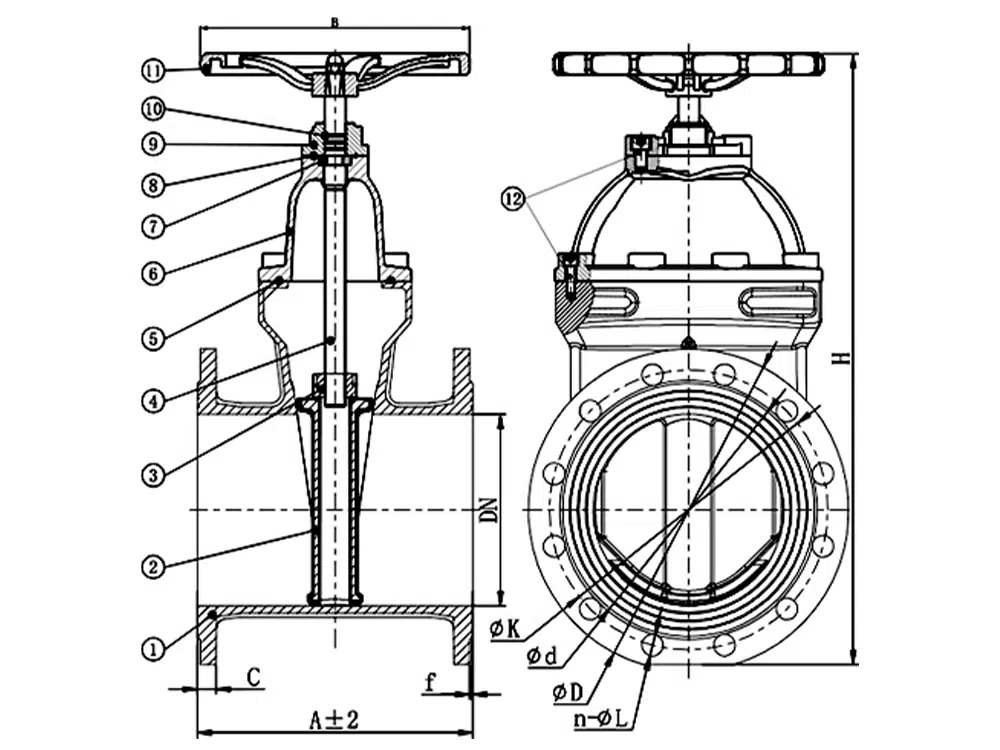
产品参数
产品型号 | Z45X-16P |
阀体材质 | 304不锈钢 |
阀瓣材质 | 304不锈钢+NBR |
公称压力 | ≤1.6Mpa |
适用介质 | 水等 |
适用温度 | ≤80℃ |
产品尺寸参考

通径 | A | C | f | Φd | ΦD | ΦK | n-ΦL | H | B |
DN50 | 178 | 15 | 2 | 99 | 153 | 125 | 4-19 | 300 | 180 |
DN65 | 190 | 15 | 2 | 118 | 172 | 145 | 4-19 | 330 | 180 |
DN80 | 203 | 17 | 2 | 132 | 188 | 160 | 8-19 | 365 | 215 |
DN100 | 229 | 19 | 2 | 156 | 211 | 180 | 8-19 | 420 | 215 |
DN125 | 254 | 19 | 2 | 184 | 238 | 210 | 8-19 | 475 | 285 |
DN150 | 267 | 20 | 2 | 211 | 276 | 240 | 8-23 | 550 | 285 |
DN200 | 292 | 21 | 2 | 266 | 330 | 295 | 12-23 | 660 | 330 |
DN250 | 330 | 22 | 2 | 319 | 395 | 355 | 12-28 | 770 | 380 |
DN300 | 356 | 24 | 2 | 370 | 452 | 410 | 12-28 | 910 | 380 |
DN400 | 406 | 24 | 2 | 480 | 565 | 525 | 16-31 | 940 | 420 |














