SD342X双偏心伸缩法兰蝶阀是在双偏心法兰蝶阀的基础上增加一个具有调节结构长度作用的法兰伸缩接头,具有补偿管道热胀冷缩的功能。当日后需要更换蝶阀时,方便于在管道上更容易拆卸和安装,避免结构长度不符难以安装的情况出现,使用了伸缩蝶阀一般不再需要安装伸缩接头,或者只需要安装一面的伸缩接头。
产品特点
- 可以应用于液体介质,也可以应用于气体介质。
- 阀板双向承压,密封性能优秀。
- 安装简便,位置灵活。
- 抗冲刷性强,适应恶劣工况。
- 启闭力矩小,省时省力。
- 可用于介质的截断和调节。
应用领域
双偏心伸缩蝶阀广泛适用于常温,低压的环保工程、城市建设、污水处理、网管工程等给排水、气体管道上用于介质的截断和调节。
产品参数
产品型号 | SD342X-16Q |
阀体材质 | 球墨铸铁 |
公称压力 | ≤1.6Mpa |
适用介质 | 清水、污水等 |
适用温度 | ≤80℃ |
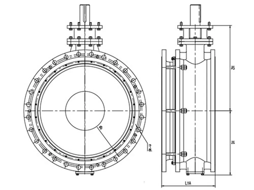
产品尺寸参考

通径 | L | 伸缩量 | φK | n-φd |
DN100 | 190 | ±10 | 180 | 8-φ19 |
DN125 | 200 | ±10 | 210 | 8-φ19 |
DN150 | 210 | ±10 | 240 | 8-φ22 |
DN200 | 230 | ±10 | 295 | 12-φ22 |
DN250 | 250 | ±10 | 355 | 12-φ28 |
DN300 | 270 | ±10 | 410 | 12-φ28 |
DN350 | 290 | ±10 | 470 | 16-φ28 |
DN400 | 310 | ±10 | 525 | 16-φ31 |
DN450 | 330 | ±15 | 585 | 20-φ31 |
DN500 | 350 | ±15 | 650 | 20-φ34 |
DN600 | 390 | ±15 | 770 | 20-φ37 |
DN700 | 430 | ±15 | 840 | 24-φ37 |
DN800 | 470 | ±15 | 950 | 24-φ40 |
DN900 | 510 | ±20 | 1050 | 28-φ40 |
DN1000 | 550 | ±20 | 1170 | 28-φ43 |
DN1200 | 630 | ±30 | 1390 | 32-φ49 |
DN1400 | 710 | ±30 | 1590 | 36-φ49 |
DN1600 | 790 | ±30 | 1820 | 40-φ56 |
DN1800 | 870 | ±30 | 2020 | 44-φ56 |
DN2000 | 950 | ±30 | 2230 | 48-φ62 |












