D673H/W型气动三偏心硬密封蝶阀由气动执行器和三偏心硬密封蝶阀组成。气动三偏心硬密封蝶阀具有双向密封功能,开启力矩小,灵活方便,省力节能;三维偏心结构,使蝶板越关越紧,其密封性能可靠,达到无泄漏;在阀板启闭时与阀座基本没有摩擦,减少了阀座密封面磨损,提高了蝶阀的使用寿命。阀座密封圈采用金属硬密封结构,耐温比软密封蝶阀高很多,可用于高温介质。气动执行器驱动蝶阀开关迅速,可用于快速切断。配有电磁阀,行程开关附件,方便远程控制。需要比例调节控制时要配装电气阀门定位器。
产品特点
- 蝶阀采用三偏心结构,开关密封面磨损小,使用寿命长。
- 金属硬密封结构,可以用于高温介质。
- 对夹式连接,重量轻,结构长度短,节约安装空间。
- 可以提高外加扭矩来提高密封性,有效保证介质密封。
- 气动执行器驱动开关速度快,可用于快速切断。
- 可配装电磁阀,行程开关,方便远程自动控制。
- 大规格蝶板采用绗架结构,强度高,过流面积大,流阻小。
- 三偏心硬密封蝶阀耐高温、耐低温、耐腐蚀性。
应用领域
广泛适用于治金、电力、石油化工、以及给排水和市政建设等工业管道上,作调节流量和载断流体使用。
产品参数
产品型号 | D673H-16C |
阀体材质 | 铸钢 |
气缸材质 | 铝合金 |
气缸类型 | AT双作用 |
公称压力 | ≤1.6Mpa |
适用介质 | 水、蒸汽、油品等 |
适用温度 | ≤325℃ |
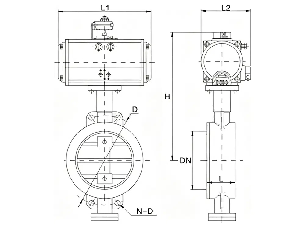
产品尺寸参考

通径 | L | L1 | L2 | H | D | N-D |
DN50 | 43 | 159 | 83 | 277 | 125 | 4-18 |
DN65 | 46 | 211 | 95 | 287 | 145 | 4-18 |
DN80 | 49 | 248 | 107 | 365 | 160 | 8-18 |
DN100 | 56 | 269 | 123 | 420 | 180 | 8-18 |
DN125 | 64 | 315 | 141 | 436 | 210 | 8-18 |
DN150 | 70 | 345 | 152 | 593 | 240 | 8-22 |
DN200 | 71 | 409 | 172 | 682 | 295 | 12-22 |
DN250 | 76 | 436 | 187 | 725 | 355 | 12-26 |
DN300 | 83 | 550 | 215 | 832 | 410 | 12-26 |
DN350 | 92 | 600 | 240 | 862 | 470 | 16-26 |
DN400 | 102 | 633 | 262 | 600 | 525 | 16-30 |












