DF系列水用电磁阀适用于以水或液体为工作介质,可自动控制或远程控制空气、水、油液体等工作介质管路的通断。由于DF电磁阀采用橡胶密封,故对工作介质的清洁度要求大大降低。具有启闭迅速,可靠性高等特点。水用电磁阀为二次开阀的先导式电磁阀,其结构主要由导阀和主阀组成,主阀采用橡胶密封结构。 常位时,活动铁芯封住导阀口,阀腔内压力平衡,主阀口封闭。当水用电磁阀线圈通电时,产生电磁力将活动铁芯吸上,主阀腔内的介质自导阀口外泄,以至产生压力差,膜片或阀杯被迅速托起,主阀口开启,阀便呈通路状态。当线圈断电,磁场消失,活动铁芯复位,封闭导阀口,导阀和主阀腔内压力平衡后,阀又呈关闭状态。
注意事项
- 电磁阀管径保持横向水平安装,线圈保持竖直安装。
- 该阀为先导式结构,开启压力为两公斤。
- 出水管路带逆流需加装止回阀。
- 介质必须清洁无腐蚀(可通水、压缩空气)。
- 此款线圈不适合户外使用,如需户外使用,请选择户外防水型线圈。
- 建议一次通电1小时内,如需要长时间通电,请选择加装节能模块的线圈。
产品参数
产品型号 | DF系列 |
阀体材质 | 铸铁 |
控制形式 | 常开/常闭 |
可选电压 | AC220V/DC24V |
工作压力 | 0.2~0.8Mpa |
适用介质 | 空气、净水等 |
适用温度 | ≤80℃ |
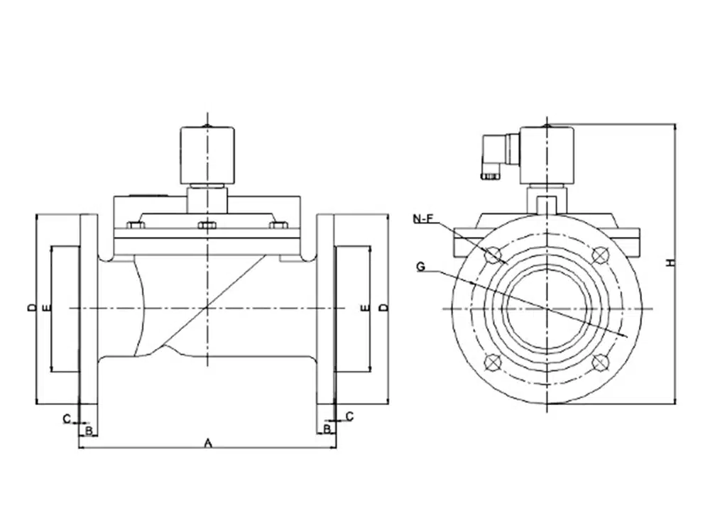
产品尺寸参考

型号 | 通径 | A | B | C | D | E | N-F | G | H |
DF-40F | DN40 | 210 | 15 | 2 | 157 | 88 | 4-18 | 110 | 225 |
DF-50F | DN50 | 210 | 16 | 2 | 157 | 88 | 4-18 | 125 | 225 |
DF-65F | DN65 | 260 | 20 | 3 | 190 | 118 | 4-18 | 145 | 253 |
DF-80F | DN80 | 260 | 18 | 2 | 190 | 132 | 8-18 | 160 | 253 |
DF-100F | DN100 | 310 | 20 | 2 | 214 | 160 | 8-18 | 180 | 275 |
DF-125F | DN125 | 380 | 25 | 3 | 250 | 184 | 8-18 | 210 | 390 |
DF-150F | DN150 | 410 | 24 | 3 | 285 | 212 | 8-22 | 240 | 410 |


















