PZ73H-10C手动刀型闸阀也叫刀闸阀,适用于带有悬浮颗粒、纤维材质的纸浆、污水、煤浆、灰渣、水泥混合物等介质的管道,靠可以切割纤维材料的刀刃型闸板来切断这些介质。阀体实际上不存在腔室,闸板在侧面导向槽内升降,并有底部凸耳紧压在阀座上,如需达到较高的介质密封性时,可选用O形密封阀座实现双向密封。该阀具有操作轻便灵活、体积小、通道流畅、流阻小、重量轻、易安装、易拆卸等特点。刀型闸阀其闸板具有剪切功能可刮除密封面上的粘着物,自动清除杂物,不锈钢闸板可防止腐蚀引起的密封泄漏。广泛用于污水、煤浆、糖浆、泥浆、空气、渣水混合物、供水、造纸、矿山等行业。
Ürün Parametresi
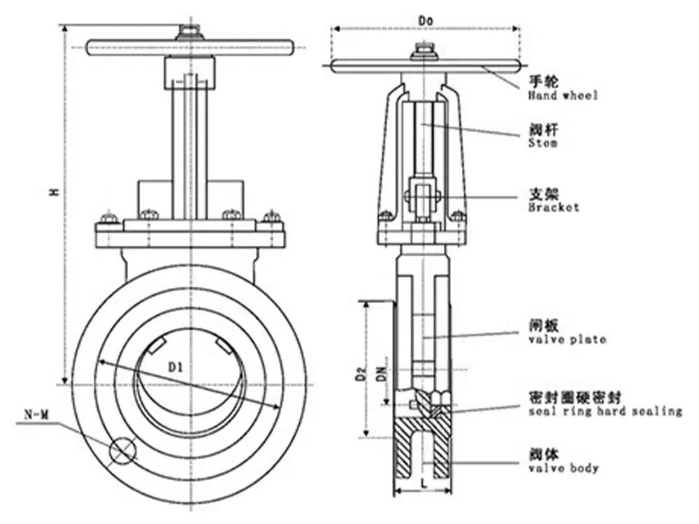
Ürün Modeli | PZ73H-10C |
Valf gövde malzemesi | dökme çelik |
Valf plakası malzemesi | Tungsten karbür/304 paslanmaz çelik |
Nominal basınç | ≤1.0Mpa |
Uygulanabilir ortam | Kanalizasyon, posa, çamur-su karışımları vb. |
Uygulanabilir sıcaklık | ≤100°C |
Ürün Boyut Referansı

bir cadde | L | D | D1 | D2 | H | N-M |
DN50 | 43 | 160 | 125 | 100 | 285 | 4-M16 |
DN65 | 46 | 180 | 145 | 120 | 298 | 4-M16 |
DN80 | 46 | 195 | 160 | 135 | 315 | 8-M16 |
DN100 | 52 | 215 | 180 | 155 | 365 | 8-M16 |
DN125 | 56 | 245 | 210 | 185 | 400 | 8-M16 |
DN150 | 56 | 280 | 240 | 210 | 475 | 8-M20 |
DN200 | 60 | 335 | 295 | 265 | 540 | 8-M20 |
DN250 | 68 | 390 | 350 | 320 | 630 | 12-M20 |
DN300 | 78 | 440 | 400 | 368 | 780 | 12-M20 |
DN350 | 78 | 500 | 460 | 428 | 885 | 16-M20 |
DN400 | 102 | 565 | 515 | 482 | 990 | 16-M22 |
DN450 | 114 | 615 | 565 | 532 | 1100 | 20-M22 |
DN500 | 127 | 670 | 620 | 585 | 1200 | 20-M22 |
DN600 | 154 | 780 | 725 | 685 | 1450 | 20-M27 |












