Z81X hendek açık gövdeli sürgülü vana, hafif anahtarlama, güvenilir sızdırmazlık, iyi elastik hafıza ve uzun hizmet ömrü özelliklerine sahiptir. Su, kanalizasyon, inşaat, yangın söndürme sistemi ve diğer sıvı boru hatlarında düzenleyici ve durdurucu bir cihaz olarak yaygın şekilde kullanılır.
Ürün Özellikleri
- Valf yuvasının alt kısmında oluk yoktur ve valf gövdesinin çapıyla tutarlı, döküntü birikimini önleyen ve sıvı akışını engelsiz hale getiren düz tabanlı bir yapıdır.
- Vana gövdesi kapağının içi ve dışı epoksi reçine ile kaplanmıştır, vana gövdesi kalınlaştırılmıştır, kullanımda çatlamaz, kapanmaz.
- Valf plakasının yüzeyi tamamen kauçukla kaplıdır, çekirdek çerçeve ile sıkıca birleştirilmiştir, düşmesi kolay değildir ve mükemmel esnekliğe sahiptir.
- Valf gövdesi ile valf kapağı arasındaki üst conta üç O tipi kauçuk conta kullanır, valf gövdesi kolayca döner, conta güvenilirdir ve uzun bir hizmet ömrüne sahiptir.
- Valf gövdesi döküm işlemini ve valf plakası anastomozunu, iyi sızdırmazlık performansını, iyi değiştirilebilirlik performansını benimser.
Ürün Parametresi
Ürün Modeli | Z81X-16Q |
Valf gövde malzemesi | sfero döküm |
Valf malzemesi | Sfero döküm + NBR |
Nominal basınç | ≤1,6Mpa |
Uygulanabilir ortam | su ve benzeri |
Uygulanabilir sıcaklık | ≤80°C |
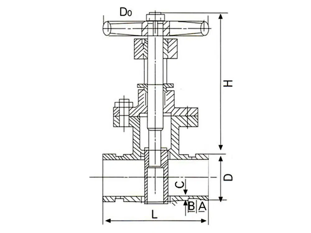
Ürün Boyut Referansı

bir cadde | L | H |
DN65 | 140 | 320 |
DN80 | 150 | 375 |
DN100 | 175 | 405 |
DN125 | 200 | 496 |
DN150 | 225 | 515 |
DN200 | 255 | 705 |
















