H44W döner çek valf, dahili külbütör kolu döner yapısını benimser, valfin tüm açma ve kapama parçaları valf gövdesinin içine monte edilir, valf gövdesine nüfuz etmez, sızdırmazlık contası ve sızdırmazlık halkası ile orta flanş parçalarına ek olarak, bütünün harici sızıntı noktası yoktur. Kimya endüstrisi, metalurji, ilaç ve diğer alanlarda yaygın olarak kullanılmaktadır.
Çalışma Prensibi
H44W döner çek valf, iç külbütör kolu döner yapısını benimser, valf kanadı döner eksen etrafında döner, valf kanadı sıvı basıncının etkisi altında açılır ve sıvı giriş tarafından çıkış tarafına akar. Giriş tarafının basıncı çıkış tarafınınkinden daha düşük olduğunda, valf kanadı, sıvıların geri akışını önlemek için sıvı basıncı farkı, yerçekimi ve diğer faktörlerin etkisi altında otomatik olarak kapanır.
Ürün Özellikleri
- Su temini ve drenaj, yangınla mücadele, HVAC, endüstriyel ve diğer sistemlerde kullanılır.
- Su darbesi basıncını etkili bir şekilde azaltabilir, iyi sızdırmazlık performansına sahiptir ve gürültüsüz kapanır.
- Dahili akışkan iletkenli akışkan tipi su devresinin tasarımı minimum basınç kaybı sağlar.
- Pompanın çıkışına monte edilen, su darbesini, su vurma sesini ve geri akışı önlemek ve ekipmanı korumak için kırık ping etkisini önlemek için su akışı geri akışından önce hızla kapatılabilir.
Ürün Parametresi
Ürün Modeli | H44W-16P |
Valf gövde malzemesi | 304 paslanmaz çelik |
Nominal basınç | ≤1,6Mpa |
Uygulanabilir ortam | Su, buhar, yağ vb. |
Uygulanabilir sıcaklık | ≤150°C |
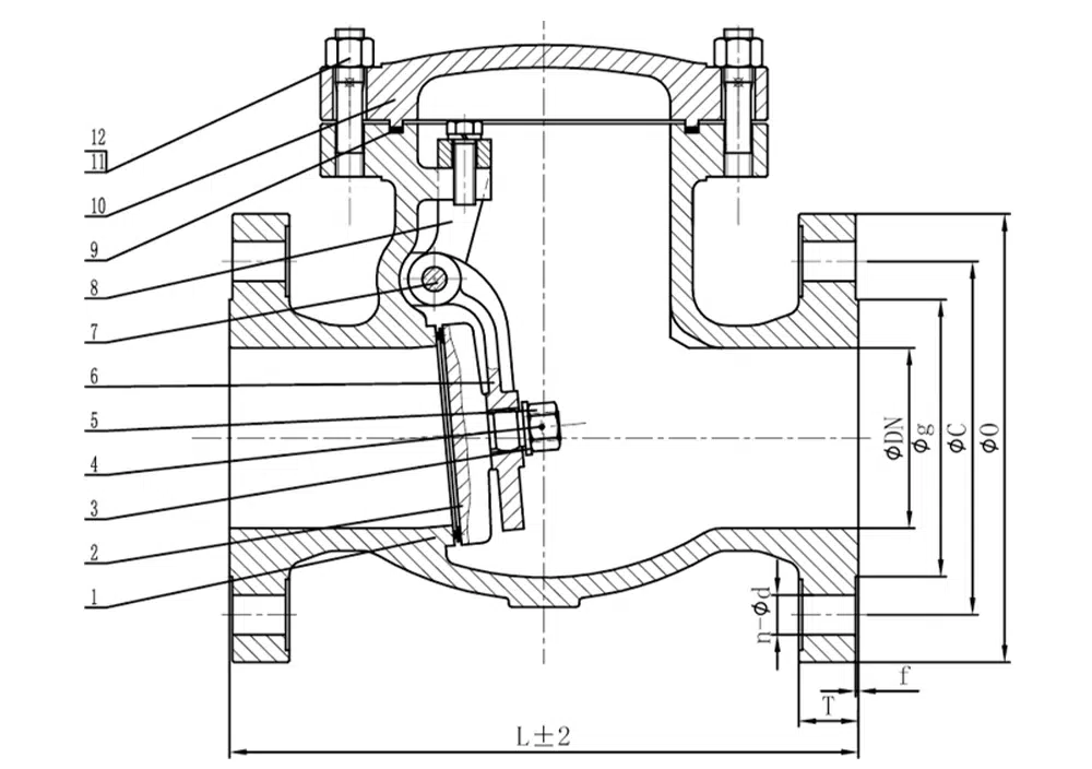
Ürün Boyut Referansı

bir cadde | L | O | C | g | T | f | n-φd |
DN15 | 130 | 95 | 65 | 45 | 14 | 2 | 4-14 |
DN20 | 150 | 105 | 75 | 55 | 14 | 2 | 4-14 |
DN25 | 160 | 115 | 85 | 65 | 14 | 2 | 4-14 |
DN32 | 180 | 135 | 100 | 78 | 16 | 2 | 4-18 |
DN40 | 200 | 145 | 110 | 85 | 16 | 3 | 4-18 |
DN50 | 230 | 160 | 125 | 100 | 16 | 3 | 4-18 |
DN65 | 290 | 180 | 145 | 120 | 18 | 3 | 4-18 |
DN80 | 310 | 195 | 160 | 135 | 20 | 3 | 8-18 |
DN100 | 350 | 215 | 180 | 155 | 20 | 3 | 8-18 |
DN125 | 400 | 245 | 210 | 185 | 22 | 3 | 8-18 |
DN150 | 480 | 280 | 240 | 210 | 24 | 3 | 8-23 |
DN200 | 550 | 335 | 295 | 265 | 26 | 3 | 12-23 |
















