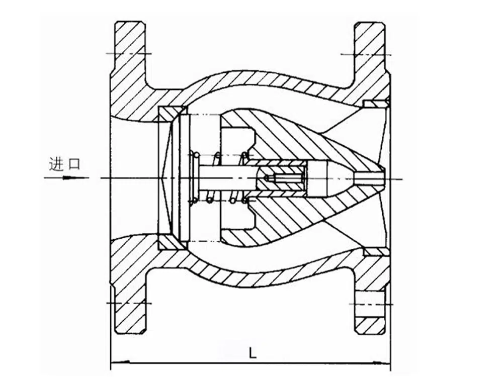
HC42X-16Q sessiz çek valf esas olarak valf gövdesi, valf yuvası, iletken, valf kapağı, yatak ve yay ve diğer ana parçalardan, aerodinamik tasarımdan, minimum basınç kaybından oluşur. Su temini ve drenaj, yangınla mücadele, HVAC sistemlerinde yaygın olarak kullanılır, pompanın geri akışını ve su darbesinin pompaya zarar vermesini önlemek için pompanın çıkışına monte edilebilir.
Çalışma Prensibi
HC42X-16Q sessiz çek valf valf kanadı açma ve kapama stroku çok kısadır, pompa açma ve kapama strokunu durdurun çok kısadır, pompayı durdurun, yüksek pompa sesini önlemek için hızlı bir şekilde kapatılabilir, sessiz etki oluşumu.
Ürün Parametresi
Ürün Modeli | HC42X-16Q |
Valf gövde malzemesi | sfero döküm |
Nominal basınç | ≤1,6Mpa |
Uygulanabilir ortam | su ve benzeri |
Uygulanabilir sıcaklık | ≤80°C |
Ürün Boyut Referansı

bir cadde | L |
DN40 | 130 |
DN50 | 130 |
DN65 | 165 |
DN80 | 188 |
DN100 | 235 |
DN125 | 255 |
DN150 | 275 |
DN200 | 295 |
DN250 | 330 |
DN300 | 350 |
DN350 | 370 |
DN400 | 400 |
















