H41W升降式止回阀适用于中、小口径管路的各种压力、温度和介质下控制接通或截断管路介质的启闭装置;依靠阀瓣自重和流体压差实现自动阻止流体倒流。H41W升降式止回阀广泛应用于水处理、化工、石化、石油、造纸、采矿、电力、液化气、食品、制药、给排水、市政、电子、城建、环保、消防暖通、中央空调、过滤设备等领域。
Yapısal özellikler
- Kaldırma çek valfi basit yapı, güvenilir hareket, kolay bakım ve benzeri avantajlara sahiptir.
- Valf gövdesi okundan gelen ortam valf gövdesine akış yönünü gösterdiğinde, ortamın basıncı yukarı doğru itme üretmek için valf kanadı üzerinde hareket eder, ortam itme valf kanadının yerçekiminden daha büyük olduğunda, valf açılır. Valften sonraki ortamın valf kuvveti artı valfin kendi yerçekimi üzerindeki basıncı, valf kuvveti üzerindeki valften önceki basınçtan daha büyük olduğunda, ortam geri akışını durdurmak için valf kapanır.
- Sızdırmazlık yüzeyinin aşınması ve yıpranması kolay değildir, daha iyi sızdırmazlık ve daha uzun ömür sağlar.
Ürün Parametresi
Ürün Modeli | H41W-16P |
Valf gövde malzemesi | 304 paslanmaz çelik |
Nominal basınç | ≤1,6Mpa |
Uygulanabilir ortam | Su, buhar, yağ vb. |
Uygulanabilir sıcaklık | ≤150°C |
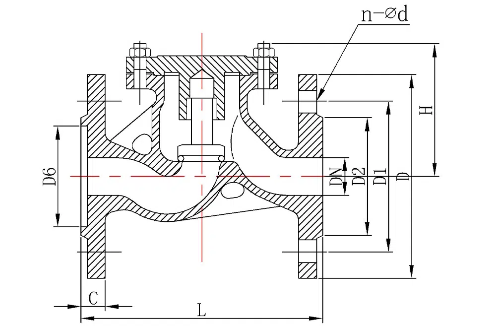
Ürün Boyut Referansı

bir cadde | L | D | D1 | D2 | C | n-∅d | H |
DN15 | 130 | 95 | 65 | 45 | 14 | 4-14 | 77 |
DN20 | 150 | 105 | 75 | 55 | 14 | 4-14 | 77 |
DN25 | 160 | 115 | 85 | 65 | 14 | 4-14 | 80 |
DN32 | 180 | 135 | 100 | 78 | 16 | 4-18 | 85 |
DN40 | 200 | 145 | 110 | 85 | 16 | 4-18 | 95 |
DN50 | 230 | 160 | 125 | 100 | 16 | 4-18 | 105 |
DN65 | 290 | 180 | 145 | 120 | 18 | 4-18 | 120 |
DN80 | 310 | 195 | 160 | 135 | 20 | 8-18 | 130 |
DN100 | 350 | 215 | 180 | 155 | 20 | 8-18 | 140 |
DN125 | 400 | 245 | 210 | 185 | 22 | 8-18 | 155 |
DN150 | 480 | 280 | 240 | 210 | 24 | 8-23 | 180 |
DN200 | 600 | 335 | 295 | 265 | 26 | 12-23 | 211 |
DN250 | 650 | 405 | 355 | 320 | 30 | 12-25 | 260 |
DN300 | 750 | 460 | 410 | 375 | 30 | 12-25 | 323 |
DN350 | 850 | 520 | 470 | 435 | 30 | 16-25 | / |
DN400 | 950 | 580 | 525 | 485 | 36 | 16-30 | / |
















