H41H kaldırma çek valfi, boru hattı ortamını bağlamak veya kesmek için açma ve kapama cihazını kontrol etmek için çeşitli basınçlar, sıcaklıklar ve ortamlar altında orta ve küçük çaplı boru hattı için uygundur; akışkan geri akışını otomatik olarak durdurmak için valf kanadının kendi ağırlığına ve akışkan basınç farkına güvenir. su arıtma, kimya endüstrisi, petrokimya endüstrisi, petrol, kağıt yapımı, madencilik, elektrik enerjisi, sıvılaştırılmış petrol gazı, gıda, ilaç endüstrisi, su temini ve drenaj, belediye yönetimi, elektronik endüstrisi, kentsel inşaat, çevre koruma, yangınla mücadele, ısıtma ve soğutma, merkezi klima, filtrasyon ekipmanı ve diğer alanlar. çevre koruma, yangınla mücadele, HVAC, merkezi klima, filtrasyon ekipmanı ve diğer alanlar.
Yapısal özellikler
- Kaldırma çek valfi basit yapı, güvenilir hareket, kolay bakım ve benzeri avantajlara sahiptir.
- Valf gövdesi okundan gelen ortam valf gövdesine akış yönünü gösterdiğinde, ortamın basıncı yukarı doğru itme üretmek için valf kanadı üzerinde hareket eder, ortam itme valf kanadının yerçekiminden daha büyük olduğunda, valf açılır. Valften sonraki ortamın valf kuvveti artı valfin kendi yerçekimi üzerindeki basıncı, valf kuvveti üzerindeki valften önceki basınçtan daha büyük olduğunda, ortam geri akışını durdurmak için valf kapanır.
- Sızdırmazlık yüzeyinin aşınması ve yıpranması kolay değildir, daha iyi sızdırmazlık ve daha uzun ömür sağlar.
Ürün Parametresi
Ürün Modeli | H41H-16C |
Valf gövde malzemesi | dökme çelik |
Nominal basınç | ≤1,6Mpa |
Uygulanabilir ortam | Su, buhar, yağ vb. |
Uygulanabilir sıcaklık | ≤250°C |
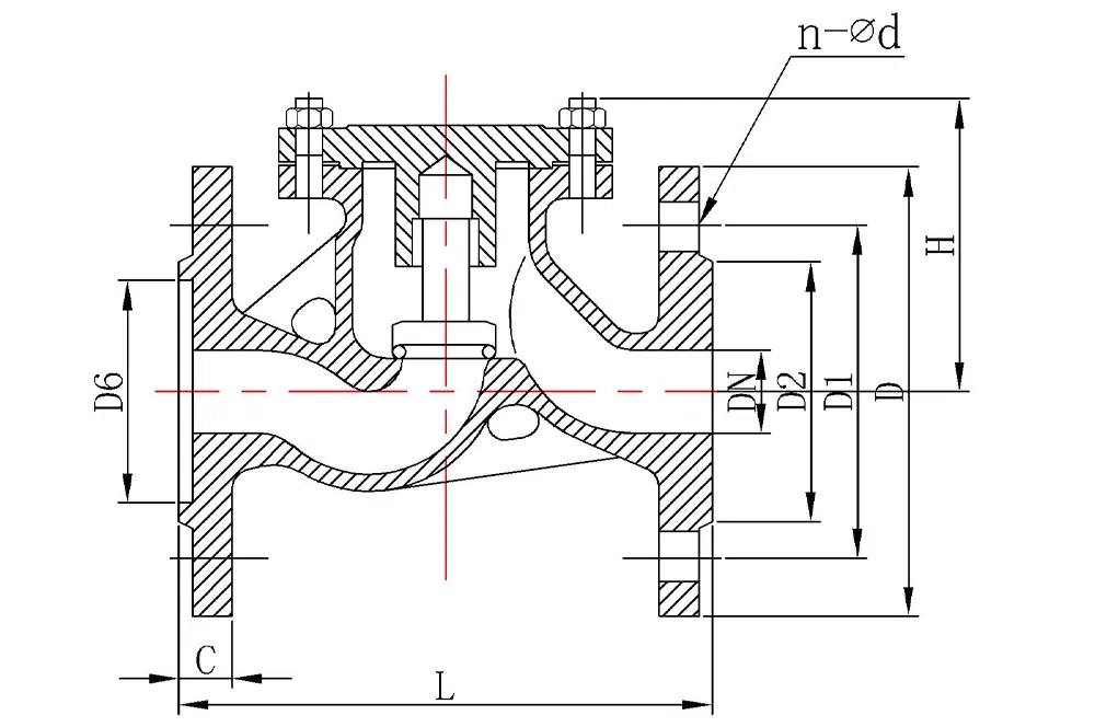
Ürün Boyut Referansı

bir cadde | L | D | D1 | D2 | C | n-∅d | H |
DN15 | 130 | 95 | 65 | 45 | 14 | 4-14 | 77 |
DN20 | 150 | 105 | 75 | 55 | 14 | 4-14 | 77 |
DN25 | 160 | 115 | 85 | 65 | 14 | 4-14 | 80 |
DN32 | 180 | 135 | 100 | 78 | 16 | 4-18 | 85 |
DN40 | 200 | 145 | 110 | 85 | 16 | 4-18 | 95 |
DN50 | 230 | 160 | 125 | 100 | 16 | 4-18 | 105 |
DN65 | 290 | 180 | 145 | 120 | 18 | 4-18 | 120 |
DN80 | 310 | 195 | 160 | 135 | 20 | 8-18 | 130 |
DN100 | 350 | 215 | 180 | 155 | 20 | 8-18 | 140 |
DN125 | 400 | 245 | 210 | 185 | 22 | 8-18 | 155 |
DN150 | 480 | 280 | 240 | 210 | 24 | 8-23 | 180 |
DN200 | 600 | 335 | 295 | 265 | 26 | 12-23 | 211 |
DN250 | 650 | 405 | 355 | 320 | 30 | 12-25 | 260 |
DN300 | 750 | 460 | 410 | 375 | 30 | 12-25 | 323 |
DN350 | 850 | 520 | 470 | 435 | 30 | 16-25 | / |
DN400 | 950 | 580 | 525 | 485 | 36 | 16-30 | / |
















