Poppet veya çek valf olarak da bilinen H11T-16 kaldırma çek valfi, valf gövdesinin dikey merkezi boyunca hareket eden bir klapeye sahip bir valf türüdür. Birincil amaçları boru hattındaki ortamın geri akışını önlemektir. Kaldırma vanaları, vanayı açık veya kapalı tutmak için boru hattındaki ortamın kendi akışına güvenir.
Ürün Özellikleri
- Kaldırma valfleri daha yüksek akışkan mukavemetine sahiptir ve daha küçük çaplar için uygundur.
- Sadece boru tesisatının yatay montajı için uygundur.
- Kısa valf açma ve kapama süresi, güvenilir hareket.
Ürün Parametresi
Ürün Modeli | H11T-16 |
Valf gövde malzemesi | döküm demi̇ri̇ |
Nominal basınç | ≤1,6Mpa |
Uygulanabilir ortam | Su, gaz, petrol, vb. |
Uygulanabilir sıcaklık | ≤120°C |
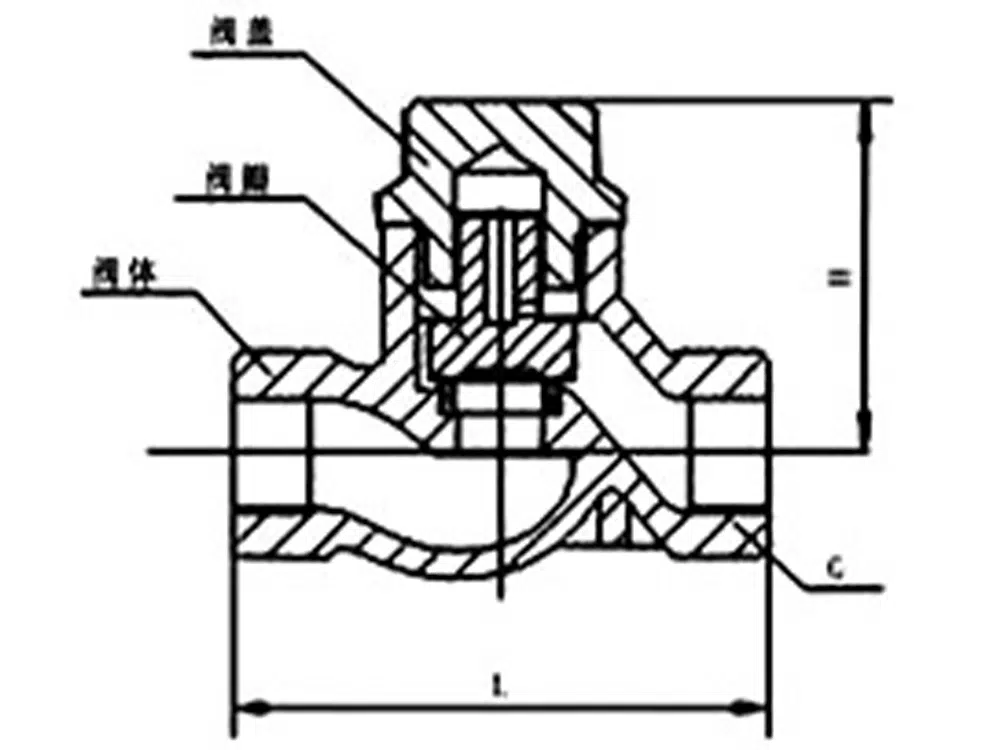
Ürün Boyut Referansı

bir cadde | L | H |
DN15 | 87 | 55 |
DN20 | 98 | 57 |
DN25 | 120 | 63 |
DN32 | 139 | 73 |
DN40 | 168 | 83 |
DN50 | 200 | 90 |
















