J41W-16P paslanmaz çelik flanş kapatma vanası silindirik bir vana kanadıdır, sızdırmazlık yüzeyi düz veya koniktir, vana kanadı sıvının merkez hattı boyunca düz bir çizgide bulunur.J41W-16P kapatma vanası yalnızca tam açık ve kapalı için geçerlidir, genellikle akış hızını düzenlemek için kullanılmaz, düzenleme ve kısma için kullanılmasına izin verilir.
Ürün Özellikleri
- Basit yapı, üretimi ve bakımı nispeten kolaydır.
- Küçük çalışma stroku, kısa açma ve kapama süresi.
- İyi sızdırmazlık, sızdırmazlık yüzeyleri arasında düşük sürtünme, uzun ömür.
Ürün Parametresi
Ürün Modeli | J41W-16P |
Valf gövde malzemesi | 304 paslanmaz çelik |
Nominal basınç | ≤1,6Mpa |
Uygulanabilir ortam | Su, buhar, yağ vb. |
Uygulanabilir sıcaklık | ≤150°C |
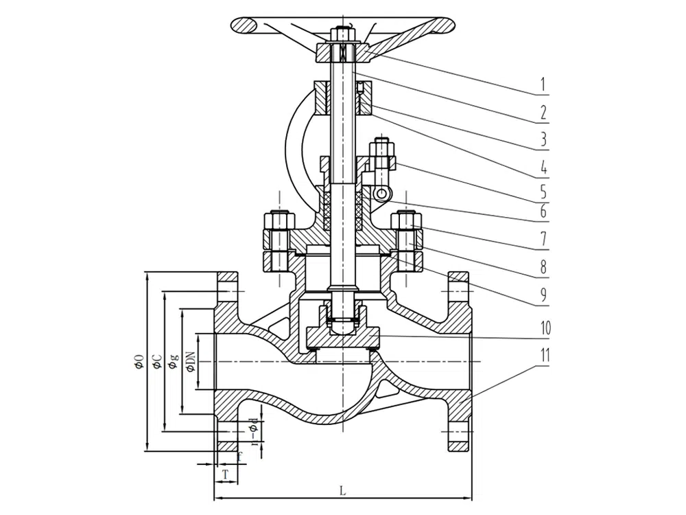
Ürün Boyut Referansı

bir cadde | L | O | C | g | T | f | n-φd |
DN15 | 130 | 95 | 65 | 45 | 14 | 2 | 4-14 |
DN20 | 150 | 105 | 75 | 55 | 14 | 2 | 4-14 |
DN25 | 160 | 115 | 85 | 65 | 14 | 2 | 4-14 |
DN32 | 180 | 135 | 100 | 78 | 16 | 2 | 4-18 |
DN40 | 200 | 145 | 110 | 85 | 16 | 3 | 4-18 |
DN50 | 230 | 160 | 125 | 100 | 16 | 3 | 4-18 |
DN65 | 290 | 180 | 145 | 120 | 18 | 3 | 4-18 |
DN80 | 310 | 195 | 160 | 135 | 20 | 3 | 8-18 |
DN100 | 350 | 215 | 180 | 155 | 20 | 3 | 8-18 |
DN125 | 400 | 245 | 210 | 185 | 22 | 3 | 8-18 |
DN150 | 480 | 280 | 240 | 210 | 24 | 3 | 8-23 |
DN200 | 600 | 335 | 295 | 265 | 26 | 3 | 12-23 |
DN250 | 650 | 405 | 355 | 320 | 26 | 3 | 12-26 |
DN300 | 750 | 460 | 410 | 355 | 28 | 3 | 12-26 |
















