Körüklü conta tasarımına sahip paslanmaz çelik körüklü ayırma vanası, hızlı ve kolay sızdıran sıradan valf gövdesi salmastra contasını tamamen ortadan kaldırır, sadece enerji verimliliğinin kullanımını iyileştirmekle kalmaz, üretim ekipmanının güvenliğini artırır, bakım ve sık bakım maliyetini düşürür, aynı zamanda temiz ve güvenli bir çalışma ortamı sağlar.
Ürün Özellikleri
- Ürün, valf gövdesinde sızıntı ve sıvı kaybı olmamasını sağlamak için makul bir yapıya, güvenilir sızdırmazlığa, çift sağlam körüklü sızdırmazlık tasarımına (körük + salmastra) sahiptir.
- Conta yüzey kaplaması Co bazlı sert alaşım, aşınmaya dayanıklı, korozyona dayanıklı, iyi sürtünme önleme performansı, uzun servis ömrü.
- Valf gövdesi temperleme ve yüzey nitrürleme işlemi, iyi korozyon önleyici ve sürtünme önleyici performansa sahiptir; gövde kaldırma konumu göstergesi, daha sezgisel.
Ürün Parametresi
Ürün Modeli | WJ41W-16P |
Valf gövde malzemesi | 304 paslanmaz çelik |
Nominal basınç | ≤1,6Mpa |
Uygulanabilir ortam | Su, buhar, yağ vb. |
Uygulanabilir sıcaklık | ≤325°C |
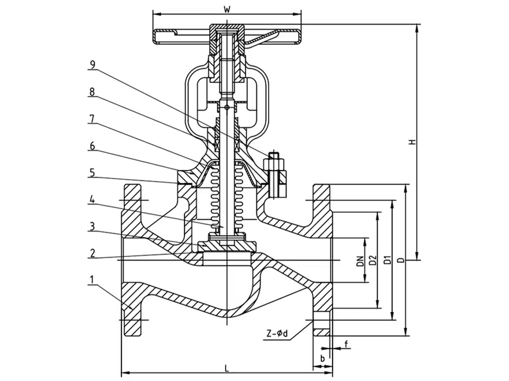
Ürün Boyut Referansı

DN | L | D | D1 | D2 | b | f | W | H | z-∅d |
15 | 130 | 95 | 65 | 45 | 16 | 2 | 120 | 230 | 4-14 |
20 | 150 | 105 | 75 | 58 | 18 | 2 | 140 | 230 | 4-14 |
25 | 160 | 115 | 85 | 68 | 18 | 2 | 140 | 230 | 4-14 |
32 | 180 | 140 | 100 | 78 | 18 | 2 | 160 | 230 | 4-18 |
40 | 200 | 150 | 110 | 88 | 18 | 3 | 180 | 260 | 4-18 |
50 | 230 | 165 | 125 | 102 | 20 | 3 | 180 | 260 | 4-18 |
65 | 290 | 185 | 145 | 122 | 20 | 3 | 200 | 270 | 4-18 |
80 | 310 | 200 | 160 | 138 | 22 | 3 | 220 | 300 | 8-18 |
100 | 350 | 220 | 180 | 158 | 22 | 3 | 280 | 370 | 8-18 |
125 | 400 | 250 | 210 | 188 | 22 | 3 | 320 | 400 | 8-18 |
150 | 480 | 285 | 240 | 212 | 22 | 3 | 350 | 460 | 8-22 |
200 | 600 | 340 | 295 | 268 | 24 | 3 | 450 | 640 | 12-22 |
250 | 730 | 405 | 355 | 320 | 26 | 3 | 500 | 800 | 12-26 |
300 | 850 | 460 | 410 | 378 | 28 | 4 | 550 | 900 | 12-26 |
350 | 980 | 520 | 470 | 438 | 30 | 4 | 600 | 1050 | 16-26 |
400 | 1100 | 580 | 525 | 490 | 32 | 4 | 650 | 1150 | 16-30 |












