H12W-16P stainless steelVertical check valve function is used to prevent the backflow of the medium in the pipeline. Check valve belongs to the automatic valve category, the opening and closing parts rely on the force of the flowing medium to open or close. Check valve is only used for one-way flow of media on the pipeline, to prevent the media backflow.
Product Features
- It has a short structure, small size and light weight.
- The valve closes quickly with low water hammer pressure.
- Smooth flow channel, low fluid resistance; sensitive action, good sealing performance.
- Easy to install, can be installed in both horizontal and vertical direction of the pipeline.
- The valve plate is designed with a torsion spring on the dyadic plate, which allows the valve plate to close quickly on its own.
- Due to the speed closure effect, it can prevent the medium from flowing backward and eliminate the strong water hammer effect.
Product Parameters
Product Model | H12W-16P |
Valve Body Material | 304 Stainless Steel |
Nominal Pressure | ≤1.6Mpa |
Applicable Media | Water, Gas, Oil, etc. |
Operating Temperature | ≤150°C |
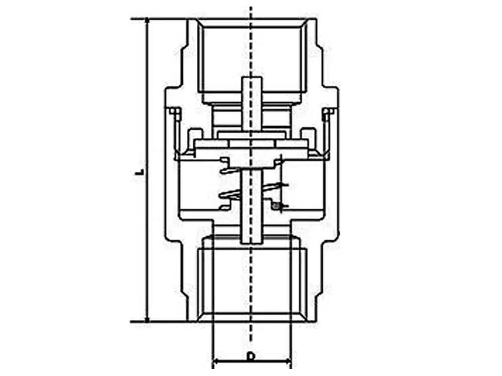
Product Size Reference

Nominal Diameter | L | D |
DN15 | 59 | 18.5 |
DN20 | 68 | 24 |
DN25 | 79 | 25 |
DN32 | 89 | 29 |
DN40 | 98 | 44 |
DN50 | 118 | 56 |
DN65 | 147 | 65 |


















