Brass three-way plug valve is a plunger-shaped rotary valve is mainly used to connect the pressure gauge, the bottom of the easily adjustable nut locking structure, one end of the 4 points to connect the pipeline, the other end of the M20 * 1.5 connected to the pressure gauge. Between the pressure gauge and the water storage elbow, equipped with a three-way plug, it is used to flush the water storage elbow, water pressure test table and the switching of the working pressure gauge, the installation of the standard pressure gauge and the calibration of the working pressure gauge, but also for loading and unloading of the pressure gauge is indispensable to the important accessories. The movement between the sealing surface of the plug with a wiping effect, and in the full open can prevent contact with the flowing medium, so it usually can also be used for the medium with suspended particles. By rotating 90 degrees so that the valve plug on the channel port and the valve body on the channel port of the same or separate, is to realize the opening or closing of a valve. Plug valve has a simple structure, rapid switching, low fluid resistance and so on.
Application Areas
Widely used in heat, power plants, water, urban construction, municipal, petroleum, petrochemical, new energy, papermaking, mining, gas, chemical, pharmaceutical, vacuum, metallurgy, smelting, automation, food, oil and gas recycling, water treatment, HVAC, building automation and other fields as well as general industry supporting the use of pressure gauges.
Product Parameters
Product Model | X14F-16T |
Valve Body Material | Brass |
Nominal Pressure | ≤1.6Mpa |
Applicable Media | Water, Gas, etc. |
Operating Temperature | ≤80°C |
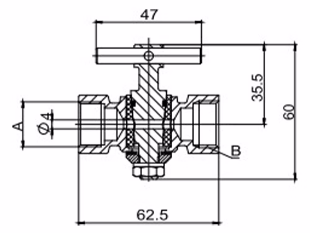
Product Size Reference



























