DF serisi su solenoid valfı, çalışma ortamı olarak su veya sıvı için uygundur, hava, su, yağ ve sıvı ve diğer çalışma ortamı boru hattının açılıp kapanmasını otomatik olarak kontrol edebilir veya uzaktan kontrol edebilir. DF solenoid valfı kauçuk conta kullandığından, çalışma ortamı gereksinimlerinin temizliği büyük ölçüde azalır. Hızlı açma ve kapama, yüksek güvenilirlik. Pilotla çalıştırılan solenoid valfin ikinci açılışı için su solenoid valfı, yapısı esas olarak pilot valf ve ana valf, kauçuk sızdırmazlık yapısını kullanan ana valften oluşur. Normal konum, hareketli demir çekirdek sızdırmaz pilot valf portu, valf boşluğundaki basınç dengesi, ana valf portu kapalı. Su solenoid valf bobinine enerji verildiğinde, elektromanyetik kuvvet aktif çekirdek emme, pilot valf portu sızıntısından ortamın ana valf boşluğu, böylece bir basınç farkı üretmek için, diyafram veya valf kabı hızla yükseltildi, ana valf açıklığı, valf açık, valf yol durumunda olacaktır. Bobinin enerjisi kesildiğinde, manyetik alan kaybolur, hareketli demir çekirdek sıfırlanır ve pilot valf portunu kapatır ve pilot valf ve ana valf boşluğundaki basınç dengelenir, valf tekrar kapanır.
uyarı
- Solenoid boru çapını yatay olarak monte edilmiş ve bobini dikey olarak monte edilmiş tutun.
- Vana, iki kilogram açma basıncına sahip pilot kumandalı bir yapıya sahiptir.
- Geri akışlı çıkış boruları bir çek valf gerektirir.
- Ortam temiz ve aşındırıcı olmamalıdır (su, basınçlı hava geçirilebilir).
- Bu bobin dış mekan kullanımı için uygun değildir, dış mekan kullanımına ihtiyacınız varsa, lütfen dış mekan su geçirmez bobini seçin.
- Bir seferde 1 saat çalıştırmanız önerilir, uzun süre çalıştırmanız gerekiyorsa, lütfen enerji tasarrufu modülüne sahip bobini seçin.
Ürün Parametresi
Ürün Modeli | DF Serisi |
Valf gövde malzemesi | döküm demi̇ri̇ |
Kontrol biçimleri | Normalde Açık/Normalde Kapalı |
Seçilebilir Voltaj | AC220V/DC24V |
iş baskısı | 0.2~0.8Mpa |
Uygulanabilir ortam | Hava, su arıtma vb. |
Uygulanabilir sıcaklık | ≤80°C |
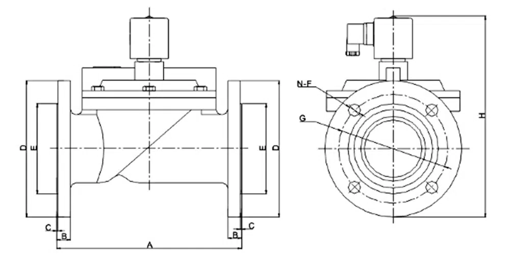
Ürün Boyut Referansı

model numarası | bir cadde | A | B | C | D | E | N-F | G | H |
DF-40F | DN40 | 210 | 15 | 2 | 157 | 88 | 4-18 | 110 | 225 |
DF-50F | DN50 | 210 | 16 | 2 | 157 | 88 | 4-18 | 125 | 225 |
DF-65F | DN65 | 260 | 20 | 3 | 190 | 118 | 4-18 | 145 | 253 |
DF-80F | DN80 | 260 | 18 | 2 | 190 | 132 | 8-18 | 160 | 253 |
DF-100F | DN100 | 310 | 20 | 2 | 214 | 160 | 8-18 | 180 | 275 |
DF-125F | DN125 | 380 | 25 | 3 | 250 | 184 | 8-18 | 210 | 390 |
DF-150F | DN150 | 410 | 24 | 3 | 285 | 212 | 8-22 | 240 | 410 |
















