ZCS serisi, çalışma ortamı olarak su veya sıvı için uygundur, su, yağ ve sıvı ve diğer çalışma ortamı boru hattının açılıp kapanması otomatik olarak kontrol edilebilir veya uzaktan kontrol edilebilir. Bu valf kauçuk sızdırmazlığı benimsediğinden, çalışma ortamının temizliği büyük ölçüde azalır, hızlı açma ve kapama ile hızlı açma ve kapama, yüksek güvenilirlik avantajlarına sahip olabilir. Su temini ve drenaj, klima, HVAC, metalurjik madencilik ve diğer alanlarda yaygın olarak kullanılmaktadır.
uyarı
- Solenoid boru çapını yatay olarak monte edilmiş ve bobini dikey olarak monte edilmiş tutun.
- Geri akışlı çıkış boruları bir çek valf gerektirir.
- Ortam temiz ve aşındırıcı olmamalıdır (su, basınçlı hava geçirilebilir).
- Bu bobin dış mekan kullanımı için uygun değildir, dış mekan kullanımına ihtiyacınız varsa, lütfen dış mekan su geçirmez bobini seçin.
- Bir seferde 1 saat çalıştırmanız önerilir, uzun süre çalıştırmanız gerekiyorsa, lütfen enerji tasarrufu modülüne sahip bobini seçin.
Ürün Parametresi
Ürün Modeli | ZCS Serisi |
Valf gövde malzemesi | 304 paslanmaz çelik |
Kontrol biçimleri | Normalde Açık/Normalde Kapalı |
Seçilebilir Voltaj | AC220V/DC24V |
iş baskısı | 0.2~0.8Mpa |
Uygulanabilir ortam | Hava, su arıtma vb. |
Uygulanabilir sıcaklık | ≤80°C |
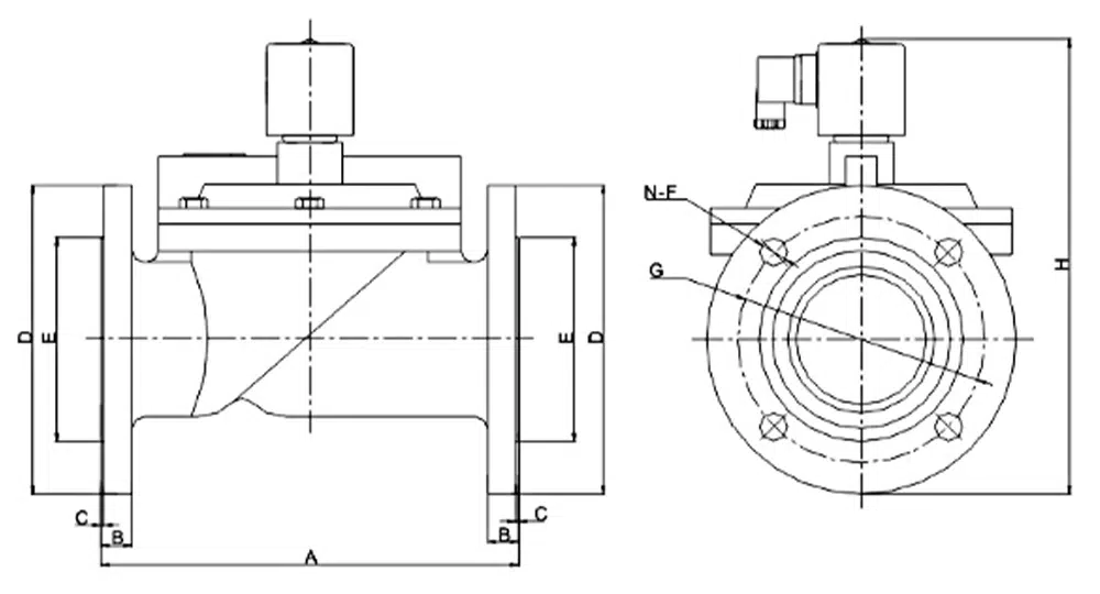
Ürün Boyut Referansı

model numarası | bir cadde | A | B | C | D | E | N-F | G | H |
ZCS-15 | DN15 | 103 | 14 | 2 | 100 | 45 | 4-14 | 65 | / |
ZCS-20 | DN20 | 105 | 14 | 2 | 110 | 55 | 4-14 | 75 | / |
ZCS-25 | DN25 | 135 | 14 | 2 | 120 | 65 | 4-14 | 85 | 130 |
ZCS-32 | DN32 | 146 | 16 | 2 | 140 | 78 | 4-18 | 100 | 137 |
ZCS-40 | DN40 | 150 | 16 | 3 | 150 | 85 | 4-18 | 110 | 152 |
ZCS-50 | DN50 | 170 | 16 | 3 | 165 | 100 | 4-18 | 125 | 152 |
ZCS-65 | DN65 | 225 | 18 | 3 | 185 | 120 | 4-18 | 145 | 222 |
ZCS-80 | DN80 | 258 | 20 | 3 | 200 | 135 | 8-18 | 160 | 239 |
ZCS-100 | DN100 | 320 | 20 | 3 | 220 | 155 | 8-18 | 180 | 255 |
ZCS-125 | DN125 | 400 | 22 | 3 | 250 | 185 | 8-18 | 210 | 416 |
ZCS-150 | DN150 | 480 | 24 | 3 | 285 | 210 | 8-22 | 240 | 440 |
ZCS-200 | DN200 | 600 | 26 | 3 | 340 | 265 | 8-22 | 295 | 443 |












