La válvula de mariposa con brida y engranaje helicoidal D341X-16Q es adecuada para su uso en el suministro y drenaje de agua, así como en gasoductos dentro de las industrias alimentaria, farmacéutica, química, petrolera, energética, textil ligera y papelera. Está diseñada para regular el flujo y cerrar medios a temperaturas ≤80 °C y presiones nominales ≤1,6 MPa.
Características del producto
- Diseño novedoso, razonable, estructura especial, peso ligero, apertura y cierre rápidos.
- Par de maniobra pequeño, fácil de manejar, ahorra mano de obra y es diestro.
- Puede instalarse en cualquier posición, de fácil mantenimiento.
- Las juntas son sustituibles y la estanquidad se consigue en ambas direcciones.
- El material de sellado es resistente al envejecimiento, de corrosión débil y larga vida útil.
Parámetros del producto
Modelo de producto | D341X-16Q |
Material del cuerpo de la válvula | hierro dúctil |
Material de la placa de la válvula | Fundición dúctil/304 acero inoxidable |
Material de caucho forrado | EPDM |
Presión nominal | ≤1,6Mpa |
Medio aplicable | Agua, gas, petróleo, etc. |
Temperatura aplicable | ≤80°C |
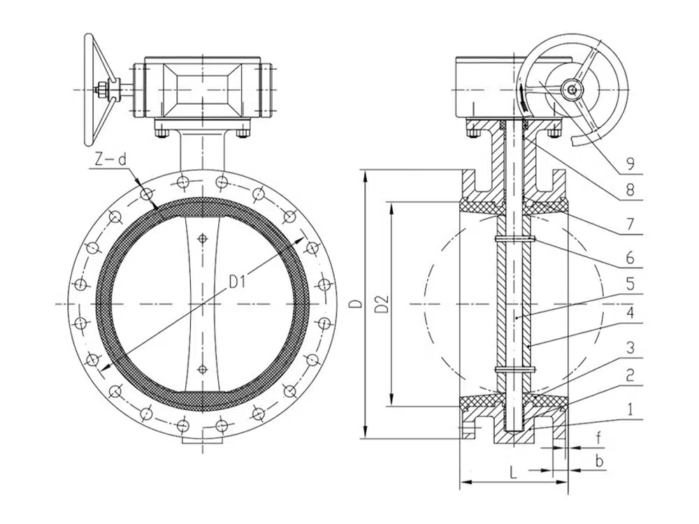
Referencia del tamaño del producto

DN | L | D | D1 | D2 | b | f | z-d |
40 | 106 | 145 | 110 | 85 | 16 | 3 | 4-18 |
50 | 108 | 160 | 125 | 100 | 16 | 3 | 4-18 |
65 | 112 | 180 | 145 | 120 | 18 | 3 | 4-18 |
80 | 114 | 195 | 160 | 135 | 20 | 3 | 8-18 |
100 | 127 | 215 | 180 | 155 | 20 | 3 | 8-18 |
125 | 140 | 245 | 210 | 185 | 22 | 3 | 8-18 |
150 | 140 | 280 | 240 | 210 | 24 | 3 | 8-23 |
200 | 152 | 335 | 295 | 265 | 26 | 3 | 12-23 |
250 | 165 | 405 | 355 | 320 | 30 | 3 | 12-25 |
300 | 178 | 460 | 410 | 375 | 30 | 4 | 12-25 |
350 | 190 | 520 | 470 | 435 | 34 | 4 | 16-25 |
400 | 216 | 580 | 525 | 485 | 36 | 4 | 16-30 |
450 | 222 | 640 | 585 | 545 | 40 | 4 | 20-30 |
500 | 229 | 705 | 650 | 608 | 44 | 4 | 20-34 |
600 | 267 | 840 | 770 | 718 | 48 | 5 | 20-41 |
700 | 292 | 910 | 840 | 788 | 50 | 5 | 24-41 |
800 | 318 | 1020 | 950 | 898 | 52 | 5 | 24-41 |
900 | 330 | 1120 | 1050 | 998 | 54 | 5 | 28-41 |
1000 | 410 | 1255 | 1170 | 1110 | 56 | 5 | 28-48 |


















