La válvula de bola neumática de dos piezas consta de un actuador neumático y un cuerpo de válvula de bola de dos piezas. Utiliza aire comprimido como fuente de energía y funciona en respuesta a señales neumáticas o señales de accesorios como posicionadores eléctricos. Ofrece ventajas como una estructura sencilla y un funcionamiento cómodo. Se consigue una mayor vida útil gracias a que el cilindro, accionado por el pistón, hace girar el eje de salida del engranaje. Esta rotación acciona el eje de la válvula, haciendo girar así la bola dentro del cuerpo de la válvula. Las válvulas de bola neumáticas de dos piezas se utilizan ampliamente en los sistemas de automatización de procesos de producción para regular o conmutar operaciones.
Parámetros del producto
Modelo del producto | Q611F-16P |
Material del cuerpo de la válvula | Acero inoxidable 304 |
Material del cilindro | aleación de aluminio |
Tipo de cilindro | AT doble efecto |
Presión nominal | ≤1,6Mpa |
Medio aplicable | agua, gas, productos derivados del petróleo, etc. |
Temperatura de funcionamiento | ≤120°C |
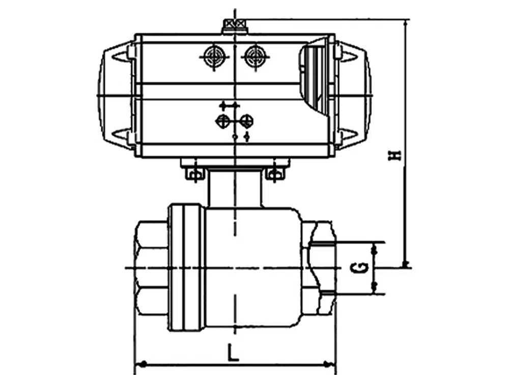
Referencia del tamaño del producto

Diámetro interior | G | L |
DN15 | 1/2 | 61 |
DN20 | 3/4 | 70 |
DN25 | 1 | 80 |
DN32 | 1-1/4 | 94 |
DN40 | 1-1/2 | 104 |
DN50 | 2 | 120 |
DN65 | 2-1/2 | 145 |
DN80 | 3 | 170 |
DN100 | 4 | 208 |


















