La válvula de mariposa con brida y sellado duro D343H emplea un anillo de sellado elástico en forma de J de precisión y una estructura de sellado duro metálico multicapa triple excéntrica. Se utiliza ampliamente en tuberías industriales para metalurgia, generación de energía, petroquímica, suministro y drenaje de agua y construcción municipal, donde la temperatura del medio no supera los 325 °C. Esta válvula sirve para regular el flujo y cerrar los fluidos.
Características del producto
- Esta válvula adopta tres excéntricos estructura de sellado, el asiento de la válvula y la placa de mariposa casi sin desgaste, con la vista más la función de sellado.
- El anillo de sellado está hecho de acero inoxidable, que tiene la doble ventaja de sellado duro metálico y sellado elástico, y tiene un excelente rendimiento de sellado independientemente de las bajas y altas temperaturas, resistencia a la corrosión, larga vida útil y otras características.
- La superficie de sellado de la placa del disco está hecha de carburo cementado a base de cobalto, y la superficie de sellado es resistente al desgaste y tiene una larga vida útil.
- La placa de mariposa de gran tamaño adopta una estructura de bastidor acolchado de alta resistencia, gran área de desbordamiento y pequeña resistencia al flujo.
Parámetros del producto
Modelo del producto | D343H-16C |
Material del cuerpo de la válvula | acero fundido |
Presión nominal | ≤1,6Mpa |
Medio aplicable | Agua, vapor, productos derivados del petróleo, etc. |
Temperatura de funcionamiento | ≤325°C |
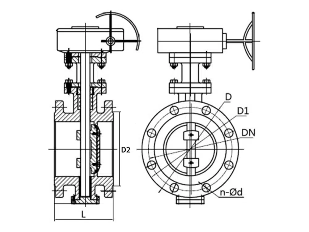
Referencia del tamaño del producto

DN | L | D | D1 | D2 | n-d |
50 | 108 | 165 | 125 | 99 | 4-18 |
65 | 112 | 185 | 145 | 118 | 4-18 |
80 | 114 | 200 | 160 | 132 | 8-18 |
100 | 127 | 220 | 180 | 156 | 8-18 |
125 | 140 | 250 | 210 | 184 | 8-18 |
150 | 140 | 285 | 240 | 211 | 8-22 |
200 | 152 | 340 | 295 | 266 | 12-22 |
250 | 165 | 405 | 355 | 319 | 12-26 |
300 | 178 | 460 | 410 | 370 | 12-26 |
350 | 190 | 520 | 470 | 429 | 16-26 |
400 | 216 | 580 | 525 | 480 | 16-30 |
450 | 222 | 640 | 585 | 548 | 20-30 |
500 | 229 | 715 | 650 | 609 | 20-33 |
600 | 267 | 840 | 770 | 720 | 20-36 |


















