Van bi ba chiều hai mảnh bằng thép không gỉ Q15F-16P sử dụng cấu trúc ba chiều hình chữ T, chủ yếu có chức năng hợp lưu và phân lưu trên đường ống. Các bộ phận chính của sản phẩm này như thân van, quả cầu... đều được làm bằng vật liệu thép không gỉ chất lượng cao, phần đệm kín sử dụng cấu trúc đệm kín mềm PTFE polytetrafluoroethylene, có ưu điểm là chống ăn mòn, chống gỉ, khả năng kín tốt, đóng mở dễ dàng. Sản phẩm được sử dụng rộng rãi trong các lĩnh vực như dầu mỏ, hóa chất, luyện kim, điện lực, xây dựng đô thị... để vận chuyển các chất lỏng có nhiệt độ và áp suất cao như dầu mỏ, khí đốt, hóa chất, hơi nước... cũng như điều khiển các loại chất lỏng và cấp thoát nước đô thị.
Đặc điểm sản phẩm
- Kháng lực của chất lỏng nhỏ, hệ số kháng lực của nó bằng với hệ số kháng lực của đoạn ống có cùng chiều dài.
- Cấu trúc đơn giản, kích thước nhỏ, trọng lượng nhẹ.
- Chặt chẽ và đáng tin cậy, hiện nay vật liệu làm mặt đệm của van bi thường sử dụng nhựa, có khả năng kín khí tốt, và cũng được sử dụng rộng rãi trong hệ thống chân không.
- Dễ dàng vận hành, mở và đóng nhanh chóng, chỉ cần xoay từ vị trí mở hoàn toàn sang đóng hoàn toàn, thuận tiện cho việc điều khiển từ xa.
- Dễ bảo trì, cấu trúc van bi đơn giản, vòng đệm thường có thể tháo rời, việc tháo lắp và thay thế đều khá thuận tiện.
Thông số kỹ thuật sản phẩm
Mẫu sản phẩm | Q15F-16P |
Vật liệu thân van | Thép không gỉ 304 |
Hình thức lưu thông | T-type |
Áp suất danh nghĩa | ≤1,6 MPa |
Phương tiện áp dụng | Nước, khí, dầu mỏ, v.v. |
Nhiệt độ thích hợp | ≤120℃ |
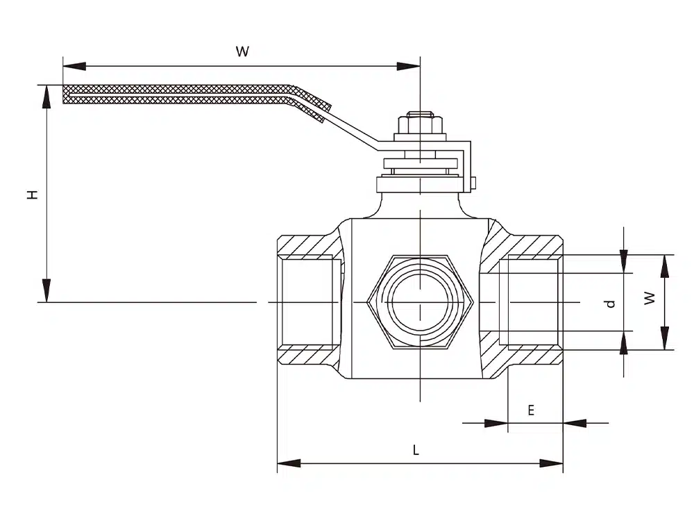
Tham khảo kích thước sản phẩm

đường kính | G | L | d | H | W |
DN8 | 1/4 | 68 | 10.5 | 58 | 110 |
DN10 | 3/8 | 68 | 12 | 58 | 110 |
DN15 | 1/2 | 68 | 12 | 58 | 110 |
DN20 | 3/4 | 79 | 15 | 60 | 130 |
DN25 | 1 | 86 | 20 | 70 | 140 |
DN32 | 1-1/4 | 112 | 25 | 82 | 155 |
DN40 | 1-1/2 | 130 | 32 | 95 | 175 |
DN50 | 2 | 140 | 38 | 100 | 175 |


















