Van bi lót fluorocarbon Q41F46 được thiết kế để điều khiển việc đóng mở các đường ống dẫn các chất lỏng có tính ăn mòn mạnh. Khoang bên trong thân van và quả cầu đều được lót bằng polyvinylidene fluoride (F46) – một vật liệu chống ăn mòn và chống lão hóa – thông qua quy trình ép phun áp lực cao, do đó đảm bảo khả năng chống ăn mòn và độ kín khít đáng tin cậy. Van này được sử dụng rộng rãi trong các ngành công nghiệp như hóa chất, dầu khí, luyện kim, dược phẩm, v.v., để điều chỉnh hoặc ngắt các chất ăn mòn mạnh như axit, kiềm trong quá trình sản xuất, và hiệu quả đặc biệt rõ rệt trong việc kiểm soát quá trình xử lý nước. Đây là một trong những lựa chọn lý tưởng hiện nay trong các thiết bị van chống ăn mòn.
Đặc tính sản phẩm
- Van bi có lớp lót bằng nhựa fluorocarbon có độ ổn định hóa học cực cao, có thể chịu được mọi tác động ăn mòn mạnh, ngoại trừ “kim loại kiềm nóng chảy và nguyên tố flo”.
- Sử dụng cấu trúc đường kính toàn phần, bóng nổi, van có thể đóng kín không rò rỉ trong toàn bộ phạm vi áp suất, thuận tiện hơn cho việc làm sạch đường ống và bảo trì hệ thống đường ống.
- Phần van hình cầu và trục van được đúc (hoặc rèn) thành một khối thống nhất, loại bỏ hoàn toàn khả năng trục van va đập vào các bộ phận chịu áp lực do sự thay đổi áp suất, từ đó đảm bảo an toàn tuyệt đối trong quá trình vận hành công trình.
- Cấu trúc nhỏ gọn và hợp lý, khoang bên trong van có kích thước nhỏ, giúp giảm thiểu hiện tượng ứ đọng chất lỏng.
- Nhờ áp dụng quy trình ép khuôn đặc biệt, bề mặt làm kín có độ đặc cao, kết hợp với lớp đệm PTFE hình chữ V, giúp van đạt được độ kín tuyệt đối.
Thông số kỹ thuật sản phẩm
Mẫu sản phẩm | Q41F46-16P |
Vật liệu thân van | Thép không gỉ 304 |
Lớp lót | F46 polyvinylidene fluoride |
Áp suất danh nghĩa | ≤1,6 MPa |
Phương tiện áp dụng | Các chất có tính ăn mòn mạnh như axit clohydric, axit nitric, axit hydrofluoric, clo lỏng, axit sunfuric, nước vua, v.v. |
Nhiệt độ thích hợp | ≤120℃ |
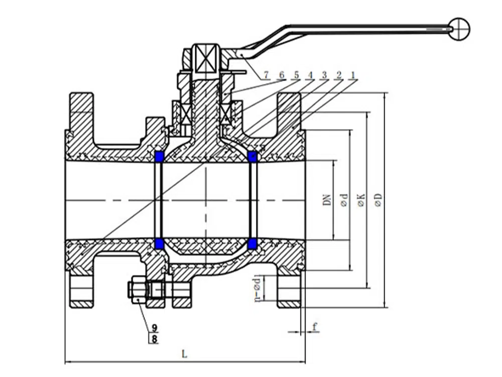
Tham khảo kích thước sản phẩm

đường kính | L | ΦD | ΦK | Φd | n-Φd |
DN15 | 130 | 95 | 65 | 45 | 4-14 |
DN20 | 140 | 105 | 75 | 55 | 4-14 |
DN25 | 150 | 115 | 85 | 65 | 4-14 |
DN32 | 165 | 135 | 100 | 78 | 4-18 |
DN40 | 180 | 145 | 110 | 85 | 4-18 |
DN50 | 200 | 160 | 125 | 100 | 4-18 |
DN65 | 220 | 180 | 145 | 120 | 8-18 |
DN80 | 250 | 195 | 160 | 135 | 8-18 |
DN100 | 280 | 215 | 180 | 155 | 8-18 |
DN125 | 320 | 245 | 210 | 185 | 8-18 |
DN150 | 360 | 285 | 240 | 210 | 8-22 |
DN200 | 400 | 335 | 295 | 265 | 12-22 |
DN250 | 450 | 405 | 355 | 320 | 12-26 |












