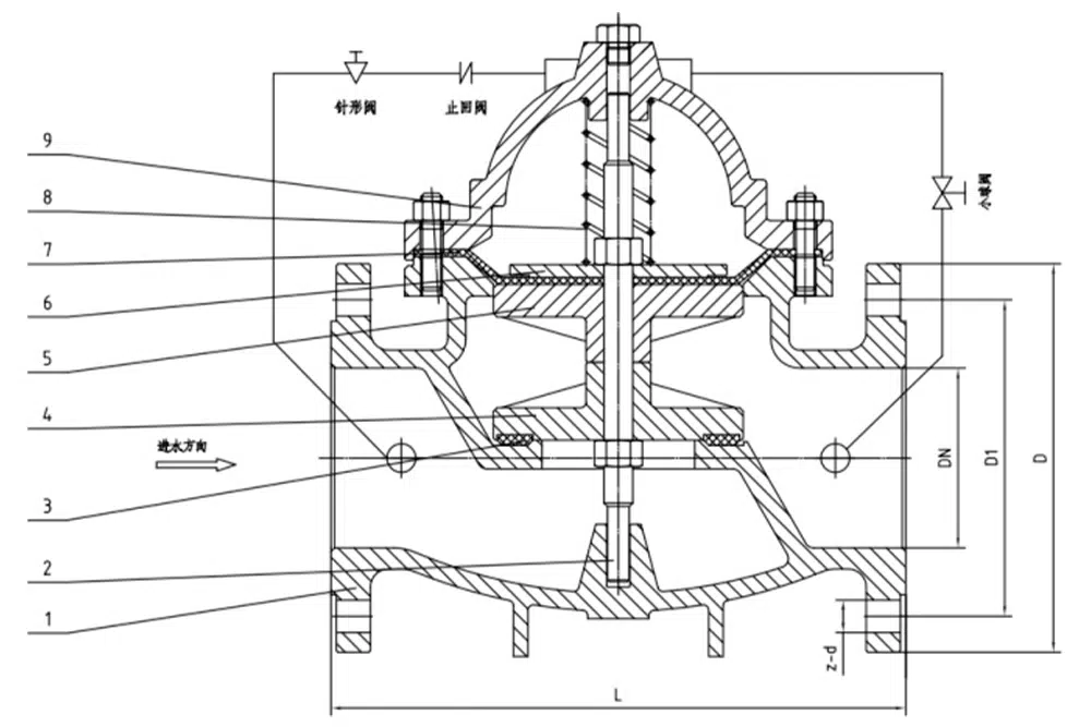
300X yavaş kapanan çek valf, bir hidrolik kontrol alıcı sistemi oluşturmak için ana valf, çek valf, iğne valf, küresel valf, mikro filtre ve basınç göstergesinden oluşur. Hidrolik otomatik çalışma kullanılarak, ana valf hızlı bir şekilde açılabilir veya yavaşça kapatılabilir. Yavaş kapanan susturma etkisini elde etmek için su saati su çarpması oluşumunu önleyin. Yavaş kapanan çek valf giriş ucundan suyu beslediğinde, su mikro filtre, iğne valf, çek valf aracılığıyla ana valf kontrol odasına girer ve ardından küresel valf aracılığıyla aşağı akışa boşalır. İğneli vana açıklığı küresel vana açıklığından daha küçük olduğundan, yani ana vana kontrol odası drenaj oranı su giriş oranından daha büyük olduğundan, kontrol odası basıncı azalır, ana vana diskinin rolü giriş basıncının alt ucunda ana vanayı aşağı akış su kaynağına açmak için. Boru hattı su beslemesini durdurduğunda, aşağı akış suyu geri akmaya başlarsa, geri akış suyunun bir kısmı küresel vanadan ana kontrol odasına, çek valf nedeniyle, geri akış suyu ana kontrol odasından dışarı akamaz, bu da ana kontrol odasının basıncında kademeli bir artışa neden olur ve ana vanayı yavaşça kapatır.
Performans özellikleri
- Yeni ve makul yapı, hidrolik prensip sibernetiğinin rasyonel kullanımı.
- Sorunsuz ve güvenilir çalışma ve yüksek akış hızı.
- Vana klapesi hızlı açılır ve yavaş kapanır, su darbesi etkisi yoktur (kapanma süresi ayarlanabilir).
- İyi geri dönüşsüz conta ve uzun servis ömrü.
- Kurulumu ve bakımı kolaydır.
Ürün Parametresi
Ürün Modeli | 300X-16P |
Valf gövde malzemesi | 304 paslanmaz çelik |
Nominal basınç | ≤1,6Mpa |
Uygulanabilir ortam | su ve benzeri |
Uygulanabilir sıcaklık | ≤80°C |
Ürün Boyut Referansı

bir cadde | L | D | D1 | D2 | b | f | z-d |
DN25 | 200 | 115 | 85 | 65 | 16 | 2 | 4-14 |
DN32 | 200 | 140 | 100 | 78 | 18 | 2 | 4-14 |
DN40 | 200 | 150 | 110 | 88 | 18 | 3 | 4-18 |
DN50 | 235 | 165 | 125 | 102 | 18 | 3 | 4-18 |
DN65 | 235 | 185 | 145 | 122 | 18 | 3 | 4-18 |
DN65 | 250 | 185 | 145 | 122 | 18 | 3 | 4-18 |
DN80 | 250 | 200 | 160 | 138 | 20 | 3 | 8-18 |
DN80 | 265 | 200 | 160 | 138 | 20 | 3 | 8-18 |
DN100 | 285 | 220 | 180 | 158 | 20 | 3 | 8-18 |
DN100 | 325 | 220 | 180 | 158 | 20 | 3 | 8-18 |
DN125 | 400 | 250 | 210 | 188 | 22 | 3 | 8-18 |
DN150 | 400 | 285 | 240 | 212 | 22 | 3 | 8-22 |
DN200 | 485 | 340 | 295 | 268 | 24 | 3 | 12-22 |












