D71X-16Q kelebek vanayı klipslemek için tutamak, ortam akışını açmak ve kapatmak veya düzenlemek için gıda, ilaç, kimyasal ve diğer net boru hattı ve endüstriyel çevre koruma, su arıtma, yüksek binalar, su temini ve drenaj boru hatlarına uygulanabilir. Kelebek vana kelebek plakasını klipslemek için tutamak, boru hattının çapı yönünde monte edilir. Kelebek vana gövdesinin silindirik kanalında, disk şeklindeki kelebek plaka eksen etrafında döner, 0 ° ~ 90 ° arasındaki dönüş açısı, 90 ° 'ye döndürülür, vana tamamen açıktır.
Ürün Özellikleri
- Küçük ve hafiftir, sökülmesi ve bakımı kolaydır ve her pozisyonda monte edilebilir.
- Basit ve kompakt yapı, 90° dönüş ile hızlı açma ve kapama.
- Düşük çalışma torku, işçilikten tasarruf ve hafiflik.
- Akış özellikleri düz olma eğilimindedir, iyi düzenleme performansı.
- Açma ve kapama testlerinin sayısı, uzun bir hizmet ömrü ile on binlerce kezdir.
- Sıfır gaz testi sızıntısı ile tam sızdırmazlık sağlayın.
Ürün Parametresi
Ürün Modeli | D71X-16Q |
Valf gövde malzemesi | sfero döküm |
Valf plakası malzemesi | Sfero döküm demir/304 paslanmaz çelik |
Kauçuk astar malzemesi | EPDM |
Nominal basınç | ≤1,6Mpa |
Uygulanabilir ortam | Su, gaz, petrol, vb. |
Uygulanabilir sıcaklık | ≤80°C |
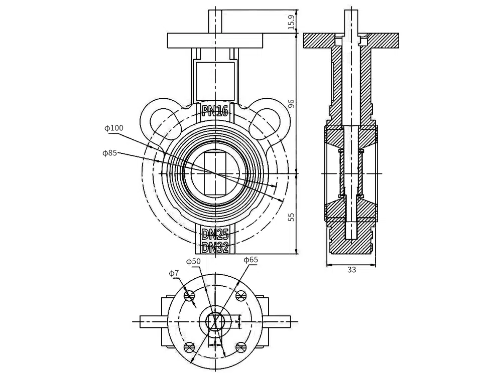
Ürün Boyut Referansı

















