Sıhhi hızlı açılan kelebek vana, sıhhi alan için özel olarak tasarlanmış, esas olarak akışkanın akışını ve akışını kontrol etmek için kullanılan bir tür vanadır. Sıhhi hızlı açılan kelebek vana, kompakt yapı, hafiflik, hızlı açma ve kapama, korozyon direnci, kolay temizlik, iyi sızdırmazlık performansı ve uygun kurulum ve demontaj özelliklerine sahiptir. Valf gövdesi, sıhhi üretim gereksinimlerini karşılamak için standart elektronik parlatma, pürüzsüz yüzey, ölü açı tasarımı benimser, potansiyel kirlilik üretmez, bakteri üremesini etkili bir şekilde önleyebilir. Gıda, ilaç, kozmetik, temiz buhar, şarap, içecek, biyokimya endüstrisi ve diğer proses kontrol durumlarında yaygın olarak kullanılır.
Ürün Parametresi
Ürün Modeli | D81X-10P |
Valf gövde malzemesi | 304 paslanmaz çelik |
Valf plakası malzemesi | 304 paslanmaz çelik |
Nominal basınç | ≤1.0Mpa |
Uygulanabilir ortam | Su, gaz, petrol, vb. |
Uygulanabilir sıcaklık | ≤80°C |
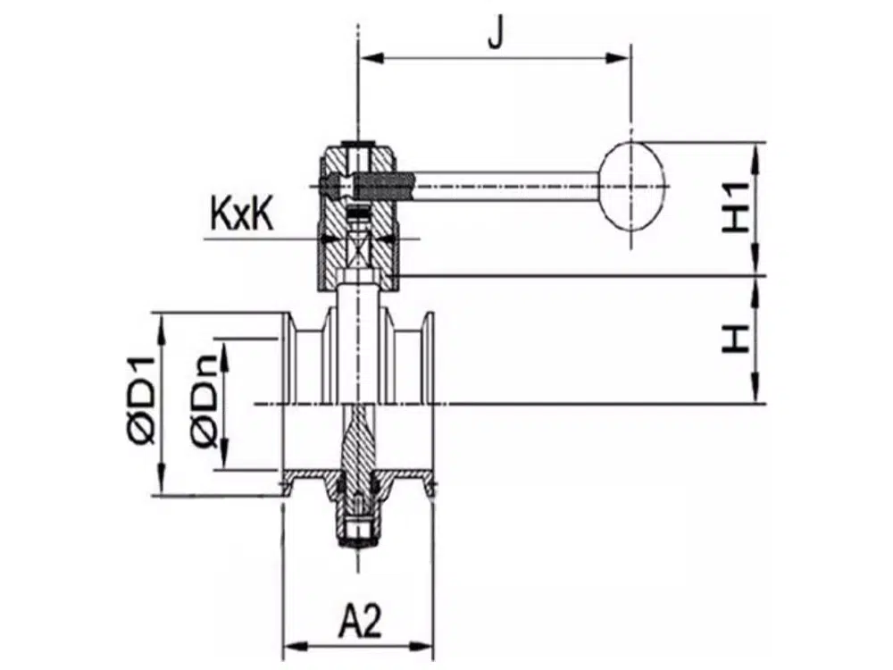
Ürün Boyut Referansı

dış çap | D1 | A2 | Dn | H | H1 | J |
Ф19 | 50.5 | 66 | 16 | 39 | 35 | 115 |
Ф25 | 50.5 | 66 | 22 | 39 | 35 | 115 |
Ф32 | 50.5 | 66 | 29 | 39 | 35 | 115 |
Ф38 | 50.5 | 66 | 35 | 39 | 35 | 115 |
Ф45 | 64 | 70 | 42 | 44 | 35 | 115 |
Ф51 | 64 | 70 | 48 | 46.5 | 35 | 115 |
Ф57 | 77.5 | 76 | 53 | 52.5 | 35 | 115 |
Ф63 | 77.5 | 76 | 59 | 55 | 35 | 115 |
Ф76 | 91 | 76 | 72 | 62 | 35 | 115 |
Ф89 | 106 | 80 | 85 | 70 | 35 | 145 |
Ф102 | 119 | 86.5 | 98 | 77.5 | 35 | 145 |
Ф108 | 119 | 86.5 | 104 | 77.5 | 35 | 145 |
Ф114 | 130 | 86.5 | 110 | 80 | 35 | 170 |
Ф133 | 145 | 100 | 129 | 84 | 35 | 210 |
Ф159 | 183 | 110 | 154 | 90 | 35 | 210 |
Ф204 | 217 | 110 | 198 | 112 | 35 | 218 |
Ф219 | 233.5 | 110 | 213 | 120 | 35 | 218 |
















