D71F-10P basınç kolu kolu alın kelepçesi kelebek vana conta halkası PTFE kauçuktan yapılmıştır, esas olarak hafif aşındırıcı ortamlar için kullanılır, sıcaklık ≤ 150 ℃, sıcak su, kanalizasyon, hafif aşındırıcı sıvılar, asitler ve alkali ortamlar için uygundur. Kelebek vananın kelebek plakası boru hattının çap yönünde monte edilir. Kelebek vana gövdesinin silindirik kanalında, disk şeklindeki kelebek plaka eksen etrafında döner, dönüş açısı 0 ° ile 90 ° arasındadır, 90 ° 'ye döndürüldüğünde vana tamamen açılır. Gıda, ilaç, kimyasal ve diğer net boru hattı ve endüstriyel çevre koruma, su arıtma, yüksek binalar, su temini ve drenaj boru hatlarında ortam akışını açmak ve kapatmak veya düzenlemek için yaygın olarak kullanılır.
Ürün Özellikleri
- Küçük ve hafiftir, sökülmesi ve bakımı kolaydır ve her pozisyonda monte edilebilir.
- Basit ve kompakt yapı, 90° dönüş ile hızlı açma ve kapama.
- Düşük çalışma torku, işçilikten tasarruf ve hafiflik.
- Akış özellikleri düz olma eğilimindedir, iyi düzenleme performansı.
- Açma ve kapama testlerinin sayısı, uzun bir hizmet ömrü ile on binlerce kezdir.
- Sıfır gaz testi sızıntısı ile tam sızdırmazlık sağlayın.
Ürün Parametresi
Ürün Modeli | D71F-10P |
Valf gövde malzemesi | 304 paslanmaz çelik |
Valf plakası malzemesi | 304 paslanmaz çelik |
Kauçuk astar malzemesi | PTFE politetrafloroetilen |
Nominal basınç | ≤1.0Mpa |
Uygulanabilir ortam | Su, gaz, petrol, vb. |
Uygulanabilir sıcaklık | ≤150°C |
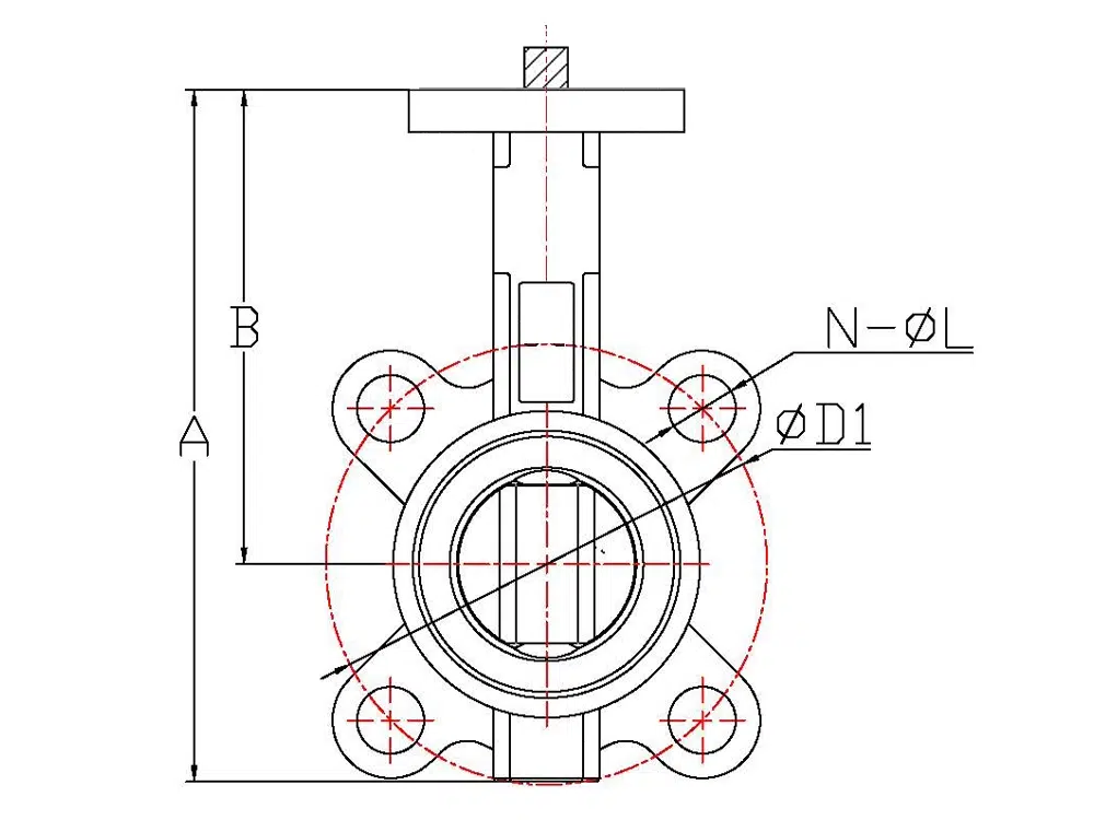
Ürün Boyut Referansı

bir cadde | L | A | B | ∅D1 | N-∅L |
DN40 | 43 | 198 | 136 | 110 | 4-18 |
DN50 | 45 | 198 | 136 | 125 | 4-18 |
DN65 | 48 | 216 | 144 | 145 | 4-18 |
DN80 | 48 | 240 | 151 | 160 | 8-18 |
DN100 | 52 | 270 | 167 | 180 | 8-18 |
DN125 | 56 | 300 | 185 | 210 | 8-18 |
DN150 | 57 | 340 | 209 | 240 | 8-22 |
DN200 | 64 | 390 | 235 | 295 | 8-22 |












