500X basınç tahliye vanası, sistemin aşırı basınçtan korunmasını önlemek veya yangın söndürme pompası kapatıldıktan sonra yangın söndürme su besleme sisteminin basıncını korumak için yangın söndürme veya diğer su besleme sistemlerinde kullanılır, ayrıca su darbesinin etkisini azaltabilir ve ayrıca büyük su besleme sisteminin su darbesi cihazı için de kullanılır. 500X basınç tahliye vanası, hidrolik olarak kontrol edilen bir devralma sistemi oluşturmak için ana vana, basınç tahliye, basınç tahliye vanası, iğne vana, küresel vana, mikrofiltre ve basınç göstergesinden oluşur. Hidrolik otomatik çalışma kullanılarak, basınç tahliye vanası olarak kullanılabilir ve basınç tutma vanası olarak kullanılabilir. Basınç tahliye vanası için, su besleme basıncını aşağıda ayarlanan güvenlik değerinde tutabilir; basınç valfini tutun, su besleme basıncının üstündeki ana valfi korumak için yukarıdaki ayarlanan değerde su basıncının üstündeki ana valfi koruyabilir; bu ürün hidrolik kendi kendini kontrol eder, başka cihazlara ve enerjiye ihtiyaç duymaz, kolay bakım, çoklu kullanım için bir valf; bu vana serisi, yüksek binalarda, su temini boru hattı sistemi ve kentsel su temini projeleri gibi yaşam alanlarında yaygın olarak kullanılmaktadır.
Ürün Parametresi
Ürün Modeli | 500X-16Q |
Valf gövde malzemesi | sfero döküm |
Nominal basınç | ≤1,6Mpa |
Uygulanabilir ortam | su ve benzeri |
Uygulanabilir sıcaklık | ≤80°C |
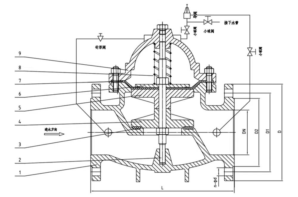
Ürün Boyut Referansı

bir cadde | L | D | D1 | D2 | b | f | n-d |
DN40 | 215 | 150 | 110 | 88 | 18 | 3 | 4-18 |
DN50 | 215 | 165 | 125 | 102 | 18 | 3 | 4-18 |
DN65 | 230 | 185 | 145 | 122 | 18 | 3 | 4-18 |
DN80 | 255 | 200 | 160 | 138 | 20 | 3 | 8-18 |
DN100 | 290 | 220 | 180 | 158 | 20 | 3 | 8-18 |
DN125 | 285 | 250 | 210 | 188 | 22 | 3 | 8-18 |
DN150 | 365 | 285 | 240 | 212 | 22 | 3 | 8-22 |
DN200 | 430 | 340 | 295 | 268 | 24 | 3 | 12-22 |
















