Pnömatik flanşlı küresel vana, flanşlı küresel vana gövdesi ve AT pnömatik aktüatörün bir kombinasyonudur, pnömatik aksesuarları destekleyen akıllı kontrol sağlayabilir, boru hattını hızlı bir şekilde açıp kapatabilir, boru hattı ağını ve uzaktan yönetimi etkili bir şekilde kontrol edebilir. Bu pnömatik küresel vana serisi, küçük sıvı direnci, basit yapı, küçük hacim, hafiflik, sıkı ve güvenilir, kullanımı kolay, hızlı açılıp kapanma, kolay bakım özelliklerine sahiptir. Esas olarak boru hattındaki ortamı kesmek veya bağlamak için kullanılır, ayrıca sıvı regülasyonu ve kontrolü için de kullanılabilir. Su, buhar, yağ ve asit ve alkali ortamlar ve diğer ortamlar için uygundur.
Ürün Parametresi
Ürün Modeli | Q641F-16C |
Valf gövde malzemesi | dökme çelik |
Silindir malzemesi | alüminyum |
Silindir tipi | AT çift etkili |
Nominal basınç | ≤1,6Mpa |
Uygulanabilir ortam | Su, buhar, yağ vb. |
Uygulanabilir sıcaklık | ≤150°C |
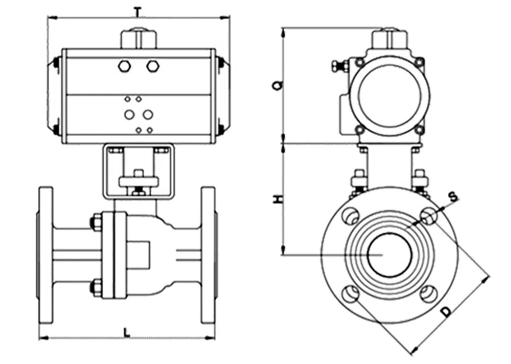
Ürün Boyut Referansı

bir cadde | L | T | D | H | Q | S |
DN15 | 130 | 147 | 65 | 106 | 98 | 4-14 |
DN20 | 140 | 147 | 75 | 111 | 98 | 4-14 |
DN25 | 150 | 170 | 85 | 122 | 116 | 4-14 |
DN32 | 165 | 184 | 100 | 129 | 128 | 4-18 |
DN40 | 180 | 211 | 110 | 138 | 136 | 4-18 |
DN50 | 200 | 211 | 125 | 154 | 136 | 4-18 |
DN65 | 220 | 265 | 145 | 164 | 146 | 4-18 |
DN80 | 250 | 275 | 160 | 193 | 153 | 8-18 |
DN100 | 280 | 305 | 180 | 203 | 175 | 8-18 |
DN125 | 320 | 390 | 210 | 233 | 192 | 8-18 |
DN150 | 360 | 458 | 240 | 251 | 217 | 8-22 |
DN200 | 400 | 525 | 295 | 322 | 260 | 12-22 |
















