黄铜三通旋塞阀是柱塞形的旋转阀主要用于连接压力表,底部采用可简易调整的螺帽锁紧结构,一头4分连接管道,另一头M20*1.5连接压力表。压力表与存水弯管之间,装有三通旋塞,它是用来冲洗存水弯管,水压试验用表与工作压力表的切换,装接标准压力表与工作压力表的校验,同时也是装卸压力表不可少的重要附件。旋塞密封面之间运动带有擦拭作用,而在全开时可以防止与流动介质的接触,故它通常也能用于带悬浮颗粒的介质。通过旋转90度使阀塞上的通道口与阀体上的通道口相同或分开,系实现开启或关闭的一种阀门。旋塞阀具有结构简单、开关迅速、流体阻力小等特点。
Uygulama alanları
Isı, enerji santralleri, su, kentsel inşaat, belediye, petrol, petrokimya, yeni enerji, kağıt yapımı, madencilik, gaz, kimya, ilaç, vakum, metalurji, eritme, otomasyon, gıda, petrol ve gaz geri dönüşümü, su arıtma, HVAC, bina otomasyonu ve diğer alanların yanı sıra kullanılan basınç göstergelerinin ölçümünü destekleyen genel endüstride yaygın olarak kullanılmaktadır.
Ürün Parametresi
Ürün Modeli | X14F-16T |
Valf gövde malzemesi | Pirinç |
Nominal basınç | ≤1,6Mpa |
Uygulanabilir ortam | 水、气等 |
Uygulanabilir sıcaklık | ≤80°C |
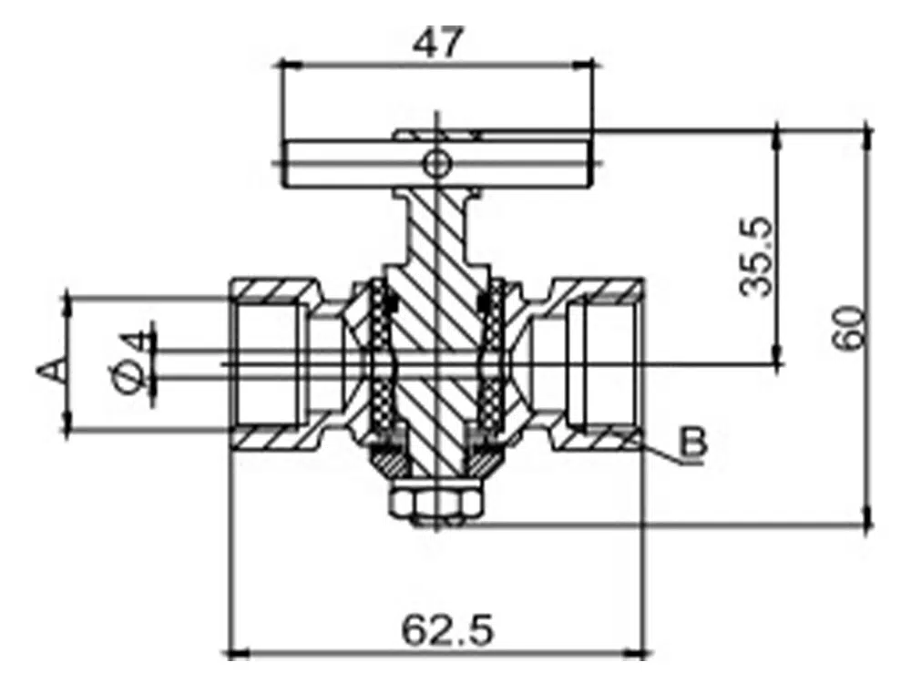
Ürün Boyut Referansı

















