D343W型硬密封法兰蝶阀采用精密的J形弹性密封圈和三偏心多层次金属硬密封结构,被广泛用于介质温度≤325℃的治金、电力、石油化工、以及给排水和市政建设等工业管道上,作调节流量和截断流体使用。
Ürün Özellikleri
- Bu valf, üç eksantrik sızdırmazlık yapısını benimser, valf yuvası ve kelebek plaka neredeyse hiç aşınma ve yıpranma olmaz, daha fazla görünümle sızdırmazlık işlevi daha sıkıdır.
- Sızdırmazlık halkası, metal sert conta ve elastik contanın çifte avantajına sahip olan paslanmaz çelikten yapılmıştır ve düşük ve yüksek sıcaklıklar, korozyon direnci, uzun hizmet ömrü ve diğer özelliklerden bağımsız olarak mükemmel sızdırmazlık performansına sahiptir.
- Disk plakasının sızdırmazlık yüzeyi kobalt bazlı semente karbürden yapılmıştır ve sızdırmazlık yüzeyi aşınmaya dayanıklıdır ve uzun bir hizmet ömrüne sahiptir.
- Büyük boyutlu kelebek plaka, yüksek mukavemetli, geniş taşma alanına ve küçük akış direncine sahip kapitone çerçeve yapısını benimser.
Ürün Parametresi
Ürün Modeli | D343W-16P |
Valf gövde malzemesi | 304 paslanmaz çelik |
Nominal basınç | ≤1,6Mpa |
Uygulanabilir ortam | Su, buhar, yağ vb. |
Uygulanabilir sıcaklık | ≤325°C |
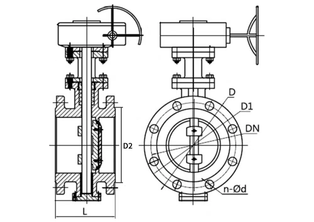
Ürün Boyut Referansı

DN | L | D | D1 | D2 | n-d |
50 | 108 | 165 | 125 | 99 | 4-18 |
65 | 112 | 185 | 145 | 118 | 4-18 |
80 | 114 | 200 | 160 | 132 | 8-18 |
100 | 127 | 220 | 180 | 156 | 8-18 |
125 | 140 | 250 | 210 | 184 | 8-18 |
150 | 140 | 285 | 240 | 211 | 8-22 |
200 | 152 | 340 | 295 | 266 | 12-22 |
250 | 165 | 405 | 355 | 319 | 12-26 |
300 | 178 | 460 | 410 | 370 | 12-26 |
350 | 190 | 520 | 470 | 429 | 16-26 |
400 | 216 | 580 | 525 | 480 | 16-30 |
450 | 222 | 640 | 585 | 548 | 20-30 |
500 | 229 | 715 | 650 | 609 | 20-33 |
600 | 267 | 840 | 770 | 720 | 20-36 |
















