D373W sert contalı kelebek vana, hassas J-şekilli elastik sızdırmazlık halkası ve üç eksantrik çok katmanlı metal sert conta yapısını benimser, altın, elektrik enerjisi, petrokimya endüstrisinin orta sıcaklık ≤ 325 ℃ yanı sıra su temini ve drenaj ve belediye inşaatı ve diğer endüstriyel boru hatlarında yaygın olarak kullanılır, akış hızını düzenlemek ve sıvı kullanımını kesmek için.
Ürün Özellikleri
- Bu valf, üç eksantrik sızdırmazlık yapısını benimser, valf yuvası ve kelebek plaka neredeyse hiç aşınma ve yıpranma olmaz, daha fazla görünümle sızdırmazlık işlevi daha sıkıdır.
- Sızdırmazlık halkası, metal sert conta ve elastik contanın çifte avantajına sahip olan paslanmaz çelikten yapılmıştır ve düşük ve yüksek sıcaklıklar, korozyon direnci, uzun hizmet ömrü ve diğer özelliklerden bağımsız olarak mükemmel sızdırmazlık performansına sahiptir.
- Disk plakasının sızdırmazlık yüzeyi kobalt bazlı semente karbürden yapılmıştır ve sızdırmazlık yüzeyi aşınmaya dayanıklıdır ve uzun bir hizmet ömrüne sahiptir.
- Büyük boyutlu kelebek plaka, yüksek mukavemetli, geniş taşma alanına ve küçük akış direncine sahip kapitone çerçeve yapısını benimser.
Ürün Parametresi
Ürün Modeli | D373W-16P |
Valf gövde malzemesi | 304 paslanmaz çelik |
Nominal basınç | ≤1,6Mpa |
Uygulanabilir ortam | Su, buhar, yağ vb. |
Uygulanabilir sıcaklık | ≤325°C |
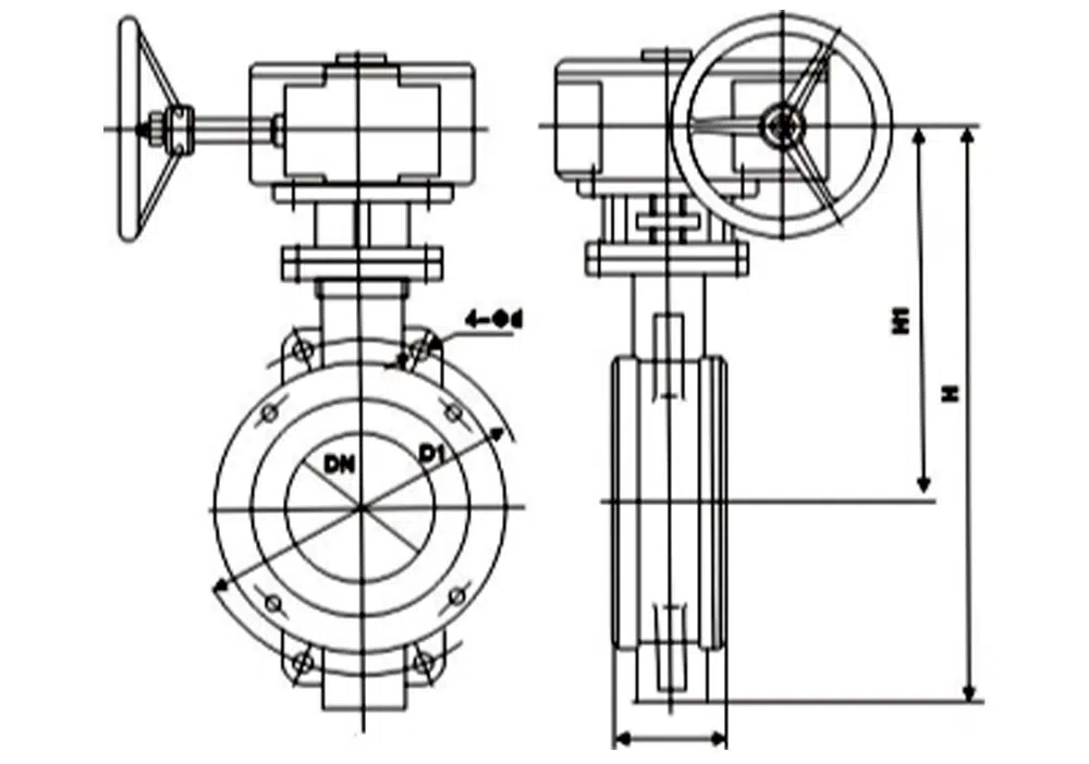
Ürün Boyut Referansı

DN | L | H1 | H | D1 | n-d |
50 | 43 | 255 | 350 | 125 | 4-18 |
65 | 46 | 280 | 370 | 145 | 4-18 |
80 | 49 | 285 | 380 | 160 | 8-18 |
100 | 56 | 310 | 420 | 180 | 8-18 |
125 | 64 | 310 | 460 | 210 | 8-18 |
150 | 70 | 315 | 555 | 240 | 8-22 |
200 | 71 | 380 | 605 | 295 | 12-22 |
250 | 76 | 460 | 680 | 355 | 12-26 |
300 | 83 | 475 | 825 | 410 | 12-26 |
350 | 92 | 510 | 900 | 470 | 16-26 |
400 | 102 | 550 | 980 | 525 | 16-30 |
450 | 114 | 590 | 1030 | 585 | 20-30 |
500 | 127 | 610 | 1105 | 650 | 20-33 |
600 | 154 | 660 | 1310 | 770 | 20-36 |
700 | 165 | 730 | 1435 | 840 | 24-36 |
800 | 190 | 810 | 1605 | 950 | 24-39 |
900 | 203 | 930 | 1745 | 1050 | 28-39 |
1000 | 216 | 1020 | 1885 | 1170 | 28-42 |
















