D41X-16Q Saplı Flanşlı Kelebek Vana, disk tipi açma ve kapama parçalarını yaklaşık 90 ° ileri geri hareket ettirerek sıvı geçişini açmak, kapatmak ve düzenlemek için kullanılan bir tür vanadır. Yeni tasarım, basit yapı, küçük hacim, hafiflik, küçük kurulum boyutu, hızlı anahtarlama vb. özelliklere sahiptir. Gıda, ilaç, kimya endüstrisi, petrol, petrol ve gaz endüstrilerinde yaygın olarak kullanılmaktadır. Gıda, ilaç, kimya endüstrisi, petrol, elektrik enerjisi, metalurji, kentsel inşaat, tekstil, kağıt ve diğer su temini ve drenajında, akışı düzenlemek ve ortamın rolünü kesmek için gaz boru hattında yaygın olarak kullanılır.
Ürün Parametresi
Ürün Modeli | D41X-16Q |
Valf gövde malzemesi | sfero döküm |
Valf plakası malzemesi | Sfero döküm demir/304 paslanmaz çelik |
Kauçuk astar malzemesi | EPDM |
Nominal basınç | ≤1,6Mpa |
Uygulanabilir ortam | Su, gaz, petrol, vb. |
Uygulanabilir sıcaklık | ≤80°C |
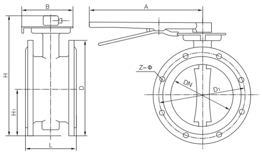
Ürün Boyut Referansı

DN | L | D | D1 | H | H1 | A | B | Z-Ф |
40 | 106 | 145 | 110 | 220 | 68 | 240 | 98 | 4-18 |
50 | 108 | 160 | 125 | 235 | 68 | 240 | 98 | 4-18 |
65 | 112 | 180 | 145 | 250 | 75 | 240 | 98 | 4-18 |
80 | 114 | 195 | 160 | 275 | 85 | 240 | 98 | 8-18 |
100 | 127 | 215 | 180 | 315 | 105 | 270 | 108 | 8-18 |
125 | 140 | 245 | 210 | 340 | 120 | 320 | 108 | 8-18 |
150 | 140 | 280 | 240 | 375 | 135 | 320 | 108 | 8-23 |
200 | 152 | 335 | 295 | 470 | 165 | 365 | 155 | 12-23 |












