Dökme demir malzeme yumuşak contalı küresel vana için Q41F-16 flanşlı küresel vana, dökme demir küresel vana, çalışma sıcaklığında ≤ 150 ℃ su, buhar ve diğer aşındırıcı olmayan ortam boru hattında açma ve kapama için kullanılır; hızlı açma ve kapama avantajları, daha yaygın bir valf ürününün su ortamı boru hattı uygulamasının normal sıcaklığıdır.
Ürün Özellikleri
- Akışkan direnci küçüktür, tam delikli küresel vana temelde akış direnci yoktur.
- Basit yapı, küçük boyut ve hafiflik.
- Sıkı ve güvenilir, mevcut küresel vana sızdırmazlık yüzey malzemeleri yaygın olarak PTFE, iyi sızdırmazlık kullanılır.
- Kullanımı kolay, hızlı açılır ve kapanır, 90°'lik bir dönüşle tamamen açıktan tamamen kapalıya.
- Uygun bakım, küresel vana yapısı basittir, conta genellikle aktiftir, sökme ve değiştirme daha uygundur.
- Tamamen açık veya tamamen kapalı olduğunda, bilye ve yatağın sızdırmazlık yüzeyleri ortamdan izole edilir ve ortamın geçişi küresel vananın sızdırmazlık yüzeylerinin aşınmasına neden olmaz.
- Açma ve kapama sırasında silme özellikleri nedeniyle, küresel vanalar asılı katı parçacıkların bulunduğu ortamlarda kullanılabilir.
Ürün Parametresi
Ürün Modeli | Q41F-16 |
Valf gövde malzemesi | gri dökme demir |
Nominal basınç | ≤1,6Mpa |
Uygulanabilir ortam | Su, buhar, yağ |
Uygulanabilir sıcaklık | ≤150°C |
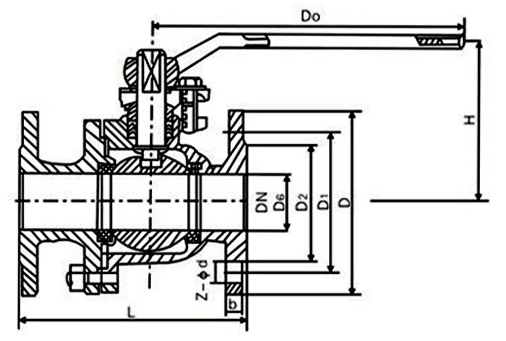
Ürün Boyut Referansı

bir cadde | L | D | D1 | D2 | f | b | Z-d | H | Yap |
DN15 | 130 | 95 | 65 | 45 | 2 | 14 | 4-14 | 78 | 160 |
DN20 | 145 | 105 | 75 | 55 | 2 | 16 | 4-14 | 110 | 160 |
DN25 | 155 | 115 | 85 | 65 | 2 | 16 | 4-14 | 110 | 160 |
DN32 | 160 | 135 | 100 | 78 | 2 | 18 | 4-18 | 115 | 160 |
DN40 | 175 | 145 | 110 | 85 | 3 | 18 | 4-18 | 150 | 250 |
DN50 | 200 | 160 | 125 | 100 | 3 | 20 | 4-18 | 150 | 250 |
DN65 | 220 | 180 | 145 | 120 | 3 | 20 | 4-18 | 180 | 350 |
DN80 | 250 | 195 | 160 | 135 | 3 | 22 | 8-18 | 185 | 350 |
DN100 | 280 | 215 | 180 | 155 | 3 | 24 | 8-18 | 225 | 400 |
DN125 | 350 | 245 | 210 | 185 | 3 | 26 | 8-18 | 265 | 600 |
DN150 | 400 | 280 | 240 | 210 | 3 | 26 | 8-23 | 275 | 600 |
DN200 | 455 | 335 | 295 | 265 | 3 | 30 | 12-23 | 310 | 800 |
















