วาล์วทีสองชิ้นแบบสแตนเลส Q14F-16P ใช้โครงสร้างรูปตัว L โดยเฉพาะเพื่อเปลี่ยนทิศทางและกระจายการไหลภายในท่อตัววาล์ว, ลูกบอล, และชิ้นส่วนหลักอื่น ๆ ผลิตจากเหล็กinox คุณภาพสูง ขณะที่การซีลใช้โครงสร้างซีลนุ่ม PTFE (polytetrafluoroethylene) การออกแบบนี้มอบความต้านทานต่อการกัดกร่อนและการเกิดสนิม, ประสิทธิภาพการซีลที่ยอดเยี่ยม, และการใช้งานที่ง่ายดาย ได้รับการนำไปใช้อย่างแพร่หลายในอุตสาหกรรมน้ำมัน, เคมี, โลหะ, การผลิตไฟฟ้า, และโครงสร้างพื้นฐานในเมือง สามารถรองรับของเหลวที่มีอุณหภูมิสูงและแรงดันสูง เช่น น้ำมัน, แก๊สธรรมชาติ, สารเคมี, และไอน้ำ นอกจากนี้ ยังควบคุมของเหลวหลากหลายชนิด และจัดการระบบ급น้ำและระบายน้ำของเมือง
คุณสมบัติของสินค้า
- ความต้านทานของของไหลต่ำ โดยมีค่าสัมประสิทธิ์ความต้านทานเทียบเท่ากับส่วนของท่อที่มีความยาวเท่ากัน
- โครงสร้างเรียบง่าย ขนาดกะทัดรัด น้ำหนักเบา
- แน่นหนาและเชื่อถือได้ พื้นผิวซีลของวาล์วลูกบอลในปัจจุบันมักใช้วัสดุพลาสติก ซึ่งให้คุณสมบัติการซีลที่ยอดเยี่ยม นอกจากนี้ยังมีการใช้งานอย่างแพร่หลายในระบบสุญญากาศ
- ใช้งานง่าย เปิดและปิดได้อย่างรวดเร็ว เพียงแค่หมุนหนึ่งครั้งก็สามารถเปลี่ยนจากเปิดเต็มที่ไปปิดเต็มที่ได้ทันที ช่วยให้ควบคุมจากระยะไกลได้สะดวก
- วาล์วลูกบอลง่ายต่อการบำรุงรักษา มีโครงสร้างที่ง่ายพร้อมด้วยวงแหวนซีลที่สามารถถอดออกได้โดยทั่วไป ทำให้การถอดประกอบและการเปลี่ยนชิ้นส่วนเป็นเรื่องง่าย
ข้อมูลจำเพาะของสินค้า
รุ่นสินค้า | Q14F-16P |
วัสดุของตัววาล์ว | เหล็กinox 304 |
รูปแบบของการหมุนเวียน | รูปตัวแอล |
ความดันตามชื่อ | ≤1.6 เมกะปาสคาล |
สื่อที่ใช้ได้ | น้ำ, แก๊ส, น้ำมัน, และผลิตภัณฑ์น้ำมัน, เป็นต้น |
อุณหภูมิในการทำงาน | ≤120°C |
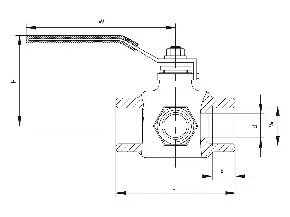
ขนาดอ้างอิงของผลิตภัณฑ์

บอร์ | G | L | d | H | W |
DN8 | 1/4 | 68 | 10.5 | 58 | 110 |
DN10 | 3/8 | 68 | 12 | 58 | 110 |
DN15 | 1/2 | 68 | 12 | 58 | 110 |
DN20 | 3/4 | 79 | 15 | 60 | 130 |
DN25 | 1 | 86 | 20 | 70 | 140 |
DN32 | 1-1/4 | 112 | 25 | 82 | 155 |
DN40 | 1-1/2 | 130 | 32 | 95 | 175 |
DN50 | 2 | 140 | 38 | 100 | 175 |


















