วาล์วกันกลับแบบแกว่ง H44W ใช้กลไกการแกว่งแบบก้านโยกที่ติดตั้งอยู่ภายใน โดยมีชิ้นส่วนที่ทำงานทั้งหมดอยู่ภายในตัววาล์วโดยไม่ทะลุผ่าน ยกเว้นส่วนหน้าแปลนตรงกลางที่ใช้ปะเก็นและแหวนซีล การประกอบนี้ไม่มีจุดรั่วไหลภายนอก จึงเหมาะสำหรับการใช้งานอย่างกว้างขวางในหลายภาคส่วน รวมถึงการแปรรูปเคมี โลหะวิทยา และการผลิตยา
หลักการการทำงาน
วาล์วกันกลับแบบแกว่ง H44W ใช้กลไกการแกว่งแบบก้านโยกที่ติดตั้งอยู่ภายใน วาล์วจะหมุนรอบแกนหมุน เปิดออกเมื่อมีแรงดันของของไหลทำให้สามารถไหลจากทางเข้าออกได้ เมื่อแรงดันทางเข้าต่ำกว่าแรงดันทางออก วาล์วจะปิดโดยอัตโนมัติภายใต้ผลรวมของแรงดันของไหลและน้ำหนักของตัววาล์วเอง เพื่อป้องกันการไหลย้อนกลับ
คุณสมบัติของสินค้า
- สำหรับใช้ในระบบ급น้ำและระบายน้ำ, ระบบป้องกันอัคคีภัย, ระบบทำความร้อน, ระบบระบายอากาศและปรับอากาศ, และระบบอุตสาหกรรม.
- ลดแรงดันน้ำกระแทกได้อย่างมีประสิทธิภาพ ให้ประสิทธิภาพการปิดผนึกที่ยอดเยี่ยม และปิดโดยไม่เกิดเสียง
- การออกแบบที่รวมตัวนำทางกระแสภายในทางเดินของเหลวช่วยให้มั่นใจได้ถึงการสูญเสียแรงดันน้อยที่สุด
- ติดตั้งที่ทางออกของปั๊ม มันจะปิดอย่างรวดเร็วก่อนที่การไหลย้อนกลับจะเกิดขึ้น ป้องกันการกระแทกของน้ำ เสียงกระแทกของน้ำ และคลื่นกระแทกที่ทำลายล้าง ซึ่งทำให้บรรลุวัตถุประสงค์สองประการคือการป้องกันการไหลย้อนกลับและการปกป้องอุปกรณ์
ข้อมูลจำเพาะของสินค้า
รุ่นสินค้า | H44W-16P |
วัสดุของตัววาล์ว | เหล็กinox 304 |
ความดันตามชื่อ | ≤1.6 เมกะปาสคาล |
สื่อที่ใช้ได้ | น้ำ, ไอน้ำ, ผลิตภัณฑ์น้ำมัน, เป็นต้น |
อุณหภูมิในการทำงาน | ≤150°C |
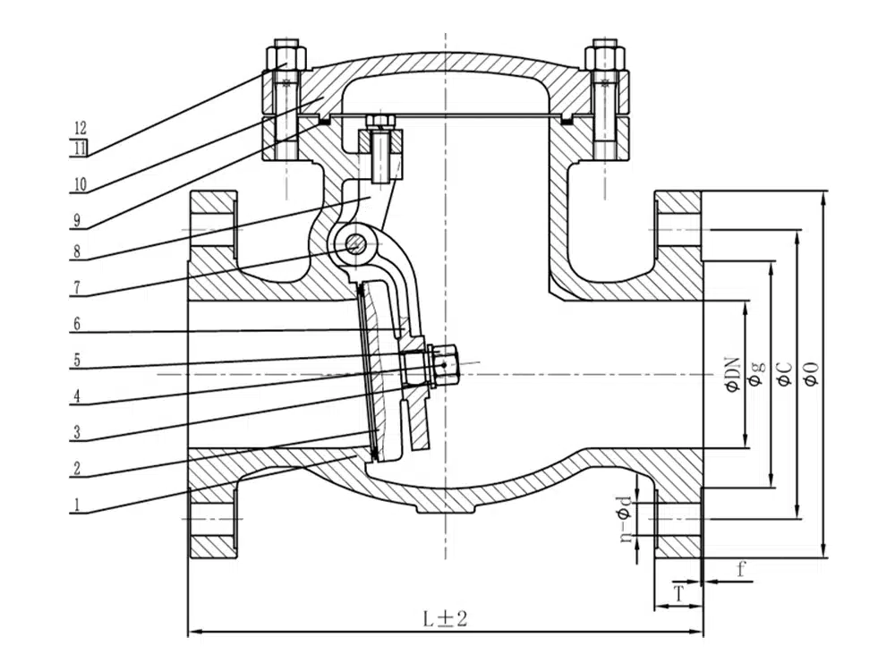
ขนาดอ้างอิงของผลิตภัณฑ์

บอร์ | L | O | C | g | T | f | n-φd |
DN15 | 130 | 95 | 65 | 45 | 14 | 2 | 4-14 |
DN20 | 150 | 105 | 75 | 55 | 14 | 2 | 4-14 |
DN25 | 160 | 115 | 85 | 65 | 14 | 2 | 4-14 |
DN32 | 180 | 135 | 100 | 78 | 16 | 2 | 4-18 |
DN40 | 200 | 145 | 110 | 85 | 16 | 3 | 4-18 |
DN50 | 230 | 160 | 125 | 100 | 16 | 3 | 4-18 |
DN65 | 290 | 180 | 145 | 120 | 18 | 3 | 4-18 |
DN80 | 310 | 195 | 160 | 135 | 20 | 3 | 8-18 |
DN100 | 350 | 215 | 180 | 155 | 20 | 3 | 8-18 |
DN125 | 400 | 245 | 210 | 185 | 22 | 3 | 8-18 |
DN150 | 480 | 280 | 240 | 210 | 24 | 3 | 8-23 |
DN200 | 550 | 335 | 295 | 265 | 26 | 3 | 12-23 |


















