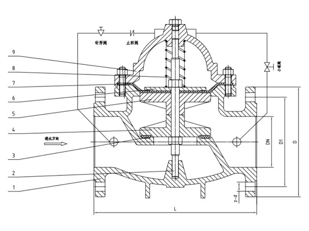
วาล์วกันกลับแบบปิดช้า 300X ประกอบด้วยวาล์วหลัก วาล์วกันกลับเข็ม วาล์วลูกบอล ไมโครฟิลเตอร์ และเกจวัดแรงดันภายในระบบท่อที่ควบคุมด้วยระบบไฮดรอลิก โดยใช้ระบบอัตโนมัติไฮดรอลิก ทำให้สามารถเปิดหรือปิดวาล์วหลักได้อย่างรวดเร็วหรือค่อยเป็นค่อยไป ซึ่งช่วยป้องกันการเกิดแรงกระแทกของน้ำ (water hammer) และให้ผลลัพธ์ในการปิดที่ช้าลงและลดเสียงรบกวนเมื่อมีการจ่ายน้ำเข้าสู่เช็ควาล์วปิดช้าจากทางท่อเข้า น้ำจะไหลผ่านไมโครฟิลเตอร์ วาล์วเข็ม และวาล์วกันกลับเข้าสู่ห้องควบคุมวาล์วหลัก จากนั้นน้ำจะไหลออกทางบอลวาล์ว เนื่องจากช่องเปิดของวาล์วเข็มมีขนาดเล็กกว่าช่องเปิดของบอลวาล์ว อัตราการไหลออกจึงมากกว่าอัตราการไหลเข้า ส่งผลให้แรงดันภายในห้องควบคุมลดลง แรงดันน้ำที่กระทำต่อด้านล่างของแผ่นวาล์วหลักจะทำให้วาล์วหลักเปิดออก น้ำจึงไหลผ่านไปยังปลายทางเมื่อการจ่ายน้ำผ่านท่อหยุดลงและการไหลย้อนกลับจากปลายท่อเริ่มต้นขึ้น ส่วนหนึ่งของการไหลย้อนกลับนี้จะเข้าสู่ห้องควบคุมหลักผ่านวาล์วบอล เนื่องจากหน้าที่ของวาล์วกันกลับ การไหลย้อนกลับจึงไม่สามารถออกจากห้องควบคุมหลักได้ ส่งผลให้ความดันในห้องเพิ่มขึ้นอย่างช้าๆ และทำให้วาล์วหลักค่อยๆ ปิดลง
ลักษณะการทำงาน
- โครงสร้างนี้มีความแปลกใหม่และออกแบบอย่างดี โดยใช้หลักการไฮดรอลิกและทฤษฎีการควบคุมอย่างมีเหตุผล
- ทำงานได้อย่างราบรื่นและเชื่อถือได้พร้อมอัตราการไหลสูง
- แผ่นวาล์วเปิดอย่างรวดเร็วและปิดอย่างค่อยเป็นค่อยไป ช่วยขจัดผลกระทบจากแรงกระแทกของน้ำ (สามารถปรับเวลาปิดได้)
- ซีลกันกลับทิศทางให้การปิดผนึกที่ยอดเยี่ยมและยืดอายุการใช้งาน
- ติดตั้งและบำรุงรักษาได้ง่าย
ข้อมูลจำเพาะของสินค้า
รุ่นสินค้า | 300X-16P |
วัสดุของตัววาล์ว | เหล็กinox 304 |
ความดันตามชื่อ | ≤1.6 เมกะปาสคาล |
สื่อที่ใช้ได้ | น้ำ เป็นต้น |
อุณหภูมิในการทำงาน | ≤80°C |
ขนาดอ้างอิงของผลิตภัณฑ์

บอร์ | L | D | วันที่ 1 | ดี2 | b | f | ซี-ดี |
DN25 | 200 | 115 | 85 | 65 | 16 | 2 | 4-14 |
DN32 | 200 | 140 | 100 | 78 | 18 | 2 | 4-14 |
DN40 | 200 | 150 | 110 | 88 | 18 | 3 | 4-18 |
DN50 | 235 | 165 | 125 | 102 | 18 | 3 | 4-18 |
DN65 | 235 | 185 | 145 | 122 | 18 | 3 | 4-18 |
DN65 | 250 | 185 | 145 | 122 | 18 | 3 | 4-18 |
DN80 | 250 | 200 | 160 | 138 | 20 | 3 | 8-18 |
DN80 | 265 | 200 | 160 | 138 | 20 | 3 | 8-18 |
DN100 | 285 | 220 | 180 | 158 | 20 | 3 | 8-18 |
DN100 | 325 | 220 | 180 | 158 | 20 | 3 | 8-18 |
DN125 | 400 | 250 | 210 | 188 | 22 | 3 | 8-18 |
DN150 | 400 | 285 | 240 | 212 | 22 | 3 | 8-22 |
DN200 | 485 | 340 | 295 | 268 | 24 | 3 | 12-22 |














