วาล์วผีเสื้อแบบแผ่นบาง D71X-10P ที่ใช้คันโยกในการทำงาน ใช้ซีลยางไนไตรล์ ซึ่งเหมาะสำหรับใช้กับสื่อที่เป็นน้ำมันปิโตรเลียมหรือการระบายน้ำเสียในครัวเรือน ยางไนไตรล์มีความต้านทานต่อน้ำมัน โดยมีอุณหภูมิการใช้งาน ≤80°C เหมาะสำหรับน้ำมันเบนซิน น้ำมันดีเซล น้ำมันหล่อลื่น และผลิตภัณฑ์ปิโตรเลียมที่คล้ายกัน แผ่นดิสก์ของวาล์วติดตั้งอยู่ภายในท่อในแนวเส้นผ่านศูนย์กลางภายในช่องทรงกระบอกของตัววาล์ว แผ่นดิสก์รูปผีเสื้อจะหมุนรอบแกนของมันเองเป็นมุมตั้งแต่ 0° ถึง 90° เมื่อหมุนถึง 90° วาล์วจะอยู่ในตำแหน่งเปิดเต็มที่ สามารถใช้งานได้อย่างกว้างขวางในท่อที่สะอาดสำหรับอุตสาหกรรมอาหาร ยา และเคมี รวมถึงการป้องกันสิ่งแวดล้อมอุตสาหกรรม การบำบัดน้ำ อาคารสูง และระบบจ่ายน้ำ/ระบายน้ำสำหรับการปิดหรือควบคุมการไหลของตัวกลาง
คุณสมบัติของสินค้า
- กะทัดรัดและน้ำหนักเบา ง่ายต่อการประกอบ ถอด และบำรุงรักษา และสามารถติดตั้งได้ในทุกตำแหน่ง
- โครงสร้างเรียบง่ายและกะทัดรัด พร้อมการหมุน 90° อย่างรวดเร็วเพื่อการเปิดและปิดที่ฉับไว
- แรงบิดในการทำงานต่ำ เบาและใช้งานได้ง่าย
- ลักษณะการไหลมีแนวโน้มเป็นเชิงเส้น พร้อมด้วยประสิทธิภาพการควบคุมที่ยอดเยี่ยม
- ประตูได้ผ่านการทดสอบการเปิดและปิดหลายหมื่นครั้ง แสดงให้เห็นถึงความคงทนที่ยอดเยี่ยม
- บรรลุการปิดผนึกที่สมบูรณ์โดยไม่มีก๊าซรั่วไหลระหว่างการทดสอบ
ข้อมูลจำเพาะของสินค้า
รุ่นสินค้า | D71X-10P |
วัสดุของตัววาล์ว | เหล็กinox 304 |
วัสดุแผ่นวาล์ว | เหล็กinox 304 |
วัสดุยางบุ | เอ็นบีอาร์ |
ความดันตามชื่อ | ≤1.0 เมกะปาสคาล |
สื่อที่ใช้ได้ | น้ำ, แก๊ส, น้ำมัน, และผลิตภัณฑ์น้ำมัน, เป็นต้น |
อุณหภูมิในการทำงาน | ≤80°C |
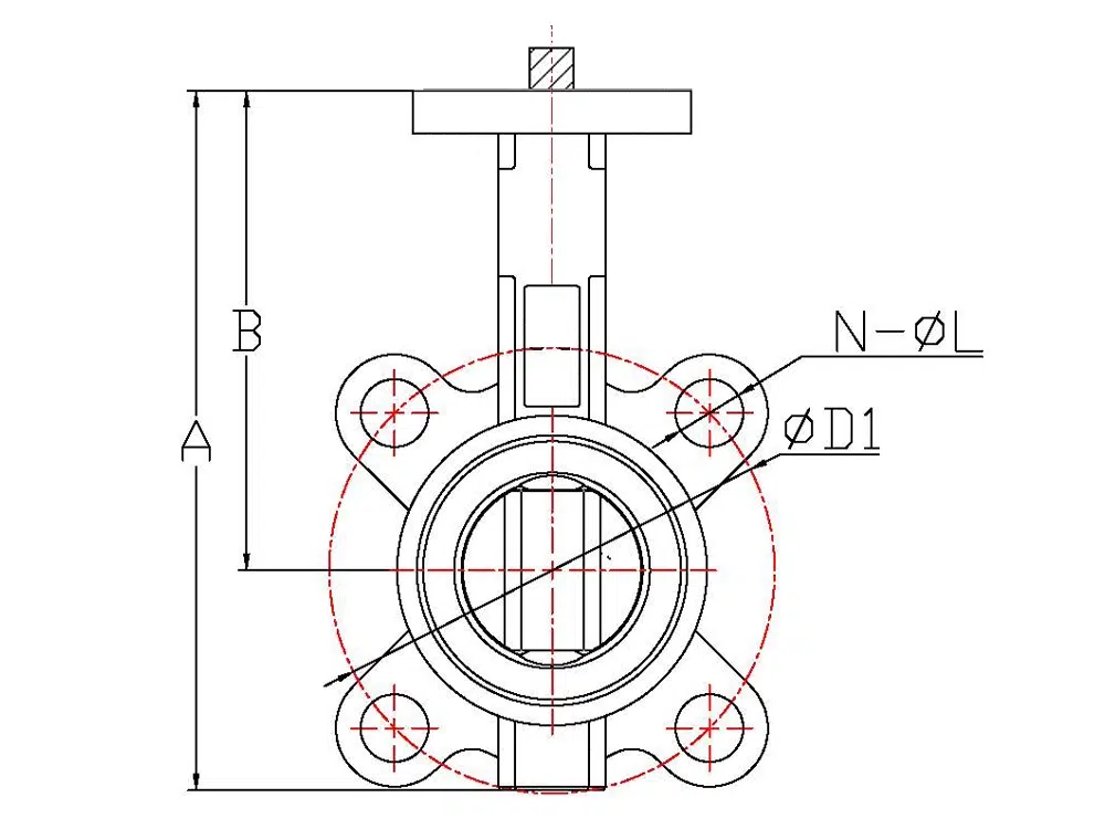
ขนาดอ้างอิงของผลิตภัณฑ์

บอร์ | L | A | B | ∅D1 | เอ็น-โนล |
DN40 | 43 | 198 | 136 | 110 | 4-18 |
DN50 | 45 | 198 | 136 | 125 | 4-18 |
DN65 | 48 | 216 | 144 | 145 | 4-18 |
DN80 | 48 | 240 | 151 | 160 | 8-18 |
DN100 | 52 | 270 | 167 | 180 | 8-18 |
DN125 | 56 | 300 | 185 | 210 | 8-18 |
DN150 | 57 | 340 | 209 | 240 | 8-22 |
DN200 | 64 | 390 | 235 | 295 | 8-22 |














