วาล์วบอลแบบหน้าแปลนนิวแมติกประกอบด้วยตัววาล์วบอลแบบหน้าแปลนที่รวมกับตัวกระตุ้นนิวแมติก AT เมื่อติดตั้งกับอุปกรณ์เสริมนิวแมติกแล้ว จะช่วยให้สามารถควบคุมได้อย่างชาญฉลาด ช่วยให้เปิดหรือปิดท่อได้อย่างรวดเร็ว ซึ่งช่วยให้ควบคุมและจัดการเครือข่ายท่อได้อย่างมีประสิทธิภาพและระยะไกลชุดวาล์วลูกบอลนิวแมติกนี้มีความต้านทานของของไหลต่ำ โครงสร้างเรียบง่าย ขนาดกะทัดรัด น้ำหนักเบา ซีลแน่นหนาและเชื่อถือได้ ใช้งานง่าย เปิด/ปิดได้อย่างรวดเร็ว และบำรุงรักษาได้ง่าย เหมาะสำหรับการแยกหรือเชื่อมต่อสื่อภายในท่อ นอกจากนี้ยังเหมาะสำหรับการควบคุมและปรับปริมาณของของไหล ใช้ได้กับสื่อหลากหลายประเภทรวมถึงน้ำ ไอน้ำ ผลิตภัณฑ์ปิโตรเลียม และสารที่เป็นกรด/ด่าง
ข้อมูลจำเพาะของสินค้า
รุ่นสินค้า | Q641F-16P |
วัสดุของตัววาล์ว | เหล็กinox 304 |
วัสดุของกระบอกสูบ | อะลูมิเนียมอัลลอย |
ประเภทกระบอกสูบ | AT แบบสองทิศทาง |
ความดันตามชื่อ | ≤1.6 เมกะปาสคาล |
สื่อที่ใช้ได้ | น้ำ, ไอน้ำ, ผลิตภัณฑ์น้ำมัน, เป็นต้น |
อุณหภูมิในการทำงาน | ≤150°C |
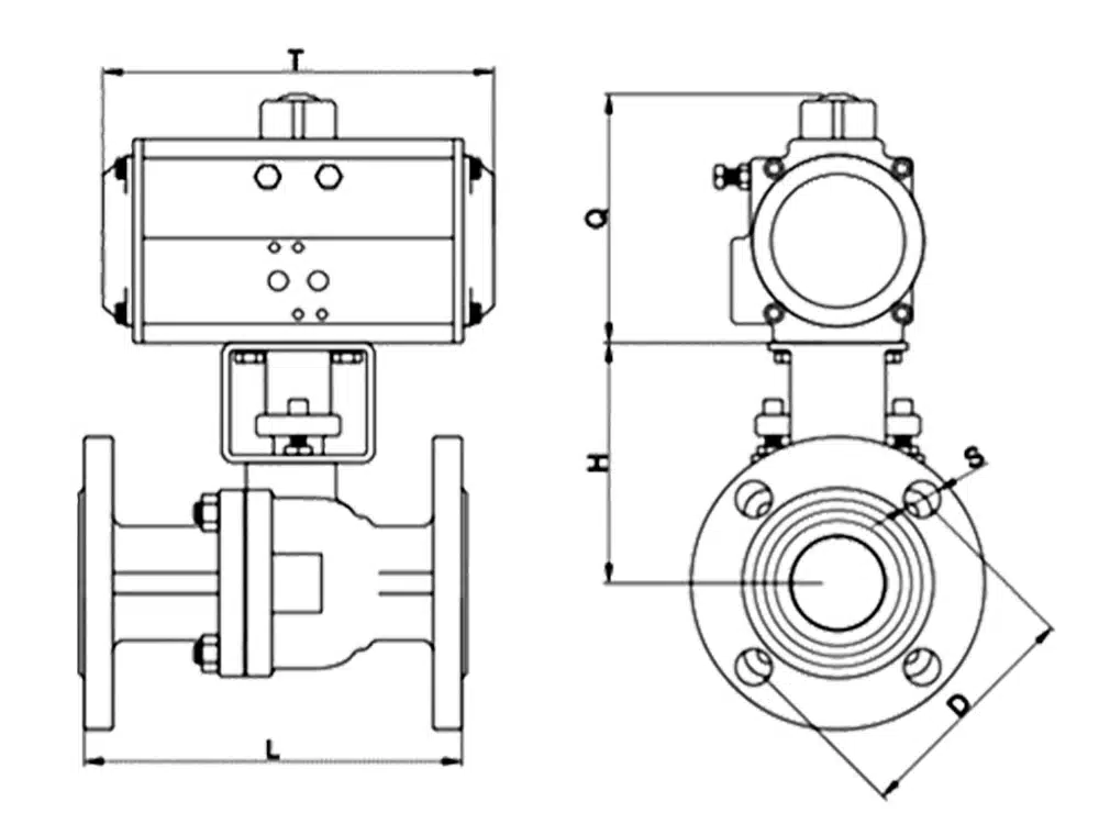
ขนาดอ้างอิงของผลิตภัณฑ์

บอร์ | L | T | D | H | Q | S |
DN15 | 130 | 147 | 65 | 106 | 98 | 4-14 |
DN20 | 140 | 147 | 75 | 111 | 98 | 4-14 |
DN25 | 150 | 170 | 85 | 122 | 116 | 4-14 |
DN32 | 165 | 184 | 100 | 129 | 128 | 4-18 |
DN40 | 180 | 211 | 110 | 138 | 136 | 4-18 |
DN50 | 200 | 211 | 125 | 154 | 136 | 4-18 |
DN65 | 220 | 265 | 145 | 164 | 146 | 4-18 |
DN80 | 250 | 275 | 160 | 193 | 153 | 8-18 |
DN100 | 280 | 305 | 180 | 203 | 175 | 8-18 |
DN125 | 320 | 390 | 210 | 233 | 192 | 8-18 |
DN150 | 360 | 458 | 240 | 251 | 217 | 8-22 |
DN200 | 400 | 525 | 295 | 322 | 260 | 12-22 |


















