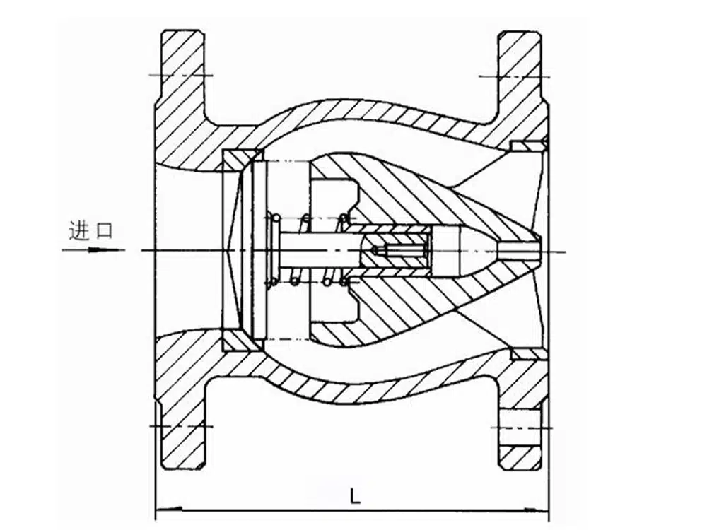
วาล์วกันกลับแบบเงียบ HC42X-16Q ประกอบด้วยตัววาล์ว, ที่นั่ง, ตัวนำทาง, แผ่นดิสก์, ตลับลูกปืน และสปริงเป็นหลัก ด้วยการออกแบบที่เพรียวบาง ทำให้มีการสูญเสียแรงดันน้อยมาก ใช้กันอย่างแพร่หลายในระบบจ่ายน้ำและระบายน้ำ, ระบบป้องกันอัคคีภัย และระบบ HVAC สามารถติดตั้งที่ทางออกของปั๊มเพื่อป้องกันการไหลย้อนกลับและความเสียหายจากแรงกระแทกของน้ำต่อปั๊ม
หลักการการทำงาน
วาล์วกันกลับเงียบ HC42X-16Q มีคุณสมบัติเด่นในการเคลื่อนที่ของแผ่นวาล์วที่สั้นมากในระหว่างการเปิดและปิด เมื่อปั๊มหยุดทำงาน วาล์วจะปิดอย่างรวดเร็ว ช่วยป้องกันเสียงดังจากปั๊มและสร้างผลลัพธ์ที่เงียบสงบ
ข้อมูลจำเพาะของสินค้า
รุ่นสินค้า | HC42X-16Q |
วัสดุของตัววาล์ว | เหล็กหล่อเหนียว |
ความดันตามชื่อ | ≤1.6 เมกะปาสคาล |
สื่อที่ใช้ได้ | น้ำ เป็นต้น |
อุณหภูมิในการทำงาน | ≤80°C |
ขนาดอ้างอิงของผลิตภัณฑ์

บอร์ | L |
DN40 | 130 |
DN50 | 130 |
DN65 | 165 |
DN80 | 188 |
DN100 | 235 |
DN125 | 255 |
DN150 | 275 |
DN200 | 295 |
DN250 | 330 |
DN300 | 350 |
DN350 | 370 |
DN400 | 400 |


















