วาล์วกันกลับแบบยก H41W เหมาะสำหรับการควบคุมการไหลของสื่อในท่อที่มีขนาดกลางและเล็กภายใต้ความดัน อุณหภูมิ และสภาพของสื่อที่หลากหลาย ทำหน้าที่เป็นอุปกรณ์เปิด/ปิดสำหรับการเชื่อมต่อหรือแยกสื่อในท่อ โดยอาศัยน้ำหนักของแผ่นวาล์วและความแตกต่างของแรงดันของของไหลเพื่อป้องกันการไหลย้อนกลับโดยอัตโนมัติวาล์วกันกลับแบบยก H41W ถูกนำไปใช้อย่างแพร่หลายในหลากหลายอุตสาหกรรม รวมถึงการบำบัดน้ำ วิศวกรรมเคมี ปิโตรเคมี น้ำมันและก๊าซ การผลิตกระดาษ เหมืองแร่ การผลิตพลังงาน ก๊าซปิโตรเลียมเหลว การแปรรูปอาหาร เภสัชกรรม การประปาและระบายน้ำ วิศวกรรมเทศบาล อิเล็กทรอนิกส์ การก่อสร้างในเมือง การป้องกันสิ่งแวดล้อม การป้องกันอัคคีภัยและระบบ HVAC ระบบปรับอากาศส่วนกลาง และอุปกรณ์กรอง
ลักษณะโครงสร้าง
- ลิฟต์เช็ควาล์วมีข้อได้เปรียบคือโครงสร้างที่เรียบง่าย การทำงานที่เชื่อถือได้ และการบำรุงรักษาที่สะดวก
- เมื่อตัวกลางเข้าสู่ตัววาล์วในทิศทางที่ลูกศรบนตัววาล์วชี้ไว้ แรงดันของตัวกลางจะกระทำต่อแผ่นวาล์ว ทำให้เกิดแรงผลักขึ้นด้านบน เมื่อแรงผลักนี้มีค่ามากกว่าแรงโน้มถ่วงที่กระทำต่อแผ่นวาล์ว วาล์วจะเปิดออก เมื่อแรงที่เกิดจากแรงดันของตัวกลางทางด้านท้ายของวาล์ว รวมกับน้ำหนักของแผ่นวาล์ว มีค่ามากกว่าแรงที่เกิดจากแรงดันของตัวกลางทางด้านต้นของวาล์ว แผ่นวาล์วจะปิดลง ทำให้ตัวกลางไม่สามารถไหลย้อนกลับได้
- พื้นผิวซีลมีความทนทานต่อการสึกหรอและการขัดถู มอบประสิทธิภาพการซีลที่เหนือกว่าและยืดอายุการใช้งาน
ข้อมูลจำเพาะของสินค้า
รุ่นสินค้า | H41W-16P |
วัสดุของตัววาล์ว | เหล็กinox 304 |
ความดันตามชื่อ | ≤1.6 เมกะปาสคาล |
สื่อที่ใช้ได้ | น้ำ, ไอน้ำ, ผลิตภัณฑ์น้ำมัน, เป็นต้น |
อุณหภูมิในการทำงาน | ≤150°C |
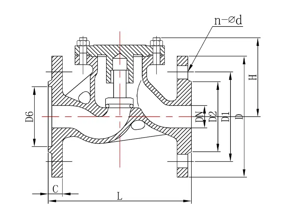
ขนาดอ้างอิงของผลิตภัณฑ์

บอร์ | L | D | วันที่ 1 | ดี2 | C | n-∅d | H |
DN15 | 130 | 95 | 65 | 45 | 14 | 4-14 | 77 |
DN20 | 150 | 105 | 75 | 55 | 14 | 4-14 | 77 |
DN25 | 160 | 115 | 85 | 65 | 14 | 4-14 | 80 |
DN32 | 180 | 135 | 100 | 78 | 16 | 4-18 | 85 |
DN40 | 200 | 145 | 110 | 85 | 16 | 4-18 | 95 |
DN50 | 230 | 160 | 125 | 100 | 16 | 4-18 | 105 |
DN65 | 290 | 180 | 145 | 120 | 18 | 4-18 | 120 |
DN80 | 310 | 195 | 160 | 135 | 20 | 8-18 | 130 |
DN100 | 350 | 215 | 180 | 155 | 20 | 8-18 | 140 |
DN125 | 400 | 245 | 210 | 185 | 22 | 8-18 | 155 |
DN150 | 480 | 280 | 240 | 210 | 24 | 8-23 | 180 |
DN200 | 600 | 335 | 295 | 265 | 26 | 12-23 | 211 |
DN250 | 650 | 405 | 355 | 320 | 30 | 12-25 | 260 |
DN300 | 750 | 460 | 410 | 375 | 30 | 12-25 | 323 |
DN350 | 850 | 520 | 470 | 435 | 30 | 16-25 | / |
DN400 | 950 | 580 | 525 | 485 | 36 | 16-30 | / |


















